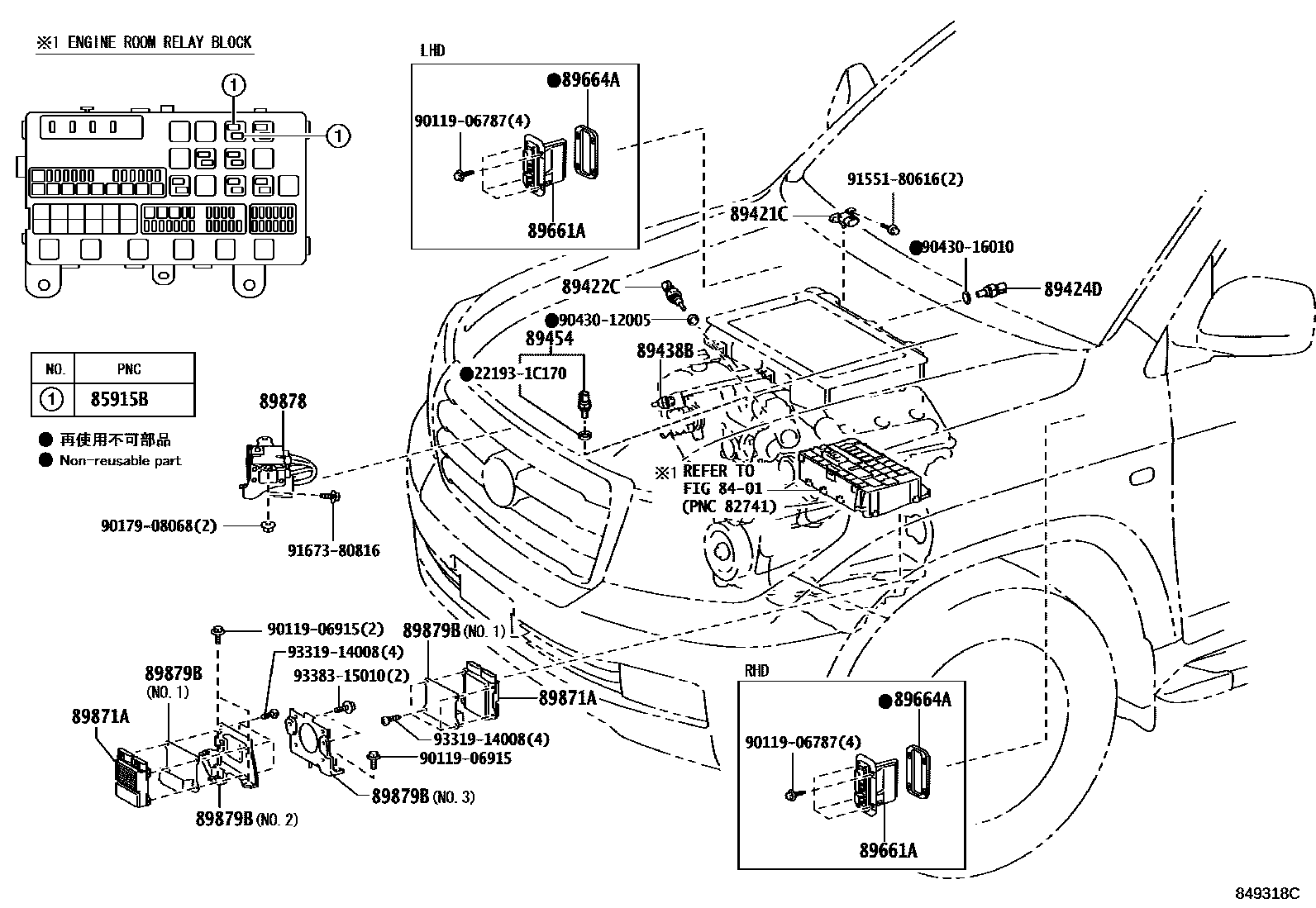
ELECTRONIC CONTROLED DIESEL (ECD)

8401
85915BRELAY, MAIN (FOR DIESEL TURBO)
89421CSENSOR, TURBO PRESSURE (FOR DIESEL TURBO)
89422CSENSOR, DIESEL ENGINE WATER TEMPERATURE
89424DSENSOR, INLET AIR TEMPERATURE
89438BSWITCH, POWER STEERING OIL PRESSURE
89454SENSOR, FUEL TEMPERATURE
89661ACOMPUTER, ENGINE CONTROL
NORWAY SPEC
FINLAND SPEC
TURKEY SPEC
SWEDEN SPEC
AIR CLEANER-WITH(PRE CLEANER)
AIR CLEANER-WITH(PRE CLEANER)&EXHAUST EMISSION CONTROL-EUROPE STEP3,WITH(EGR) & WITHOUT(OBD)
RUSSIA SPEC
SOUTH AFRICA SPEC
AIR CLEANER-WITH(PRE CLEANER)&EXHAUST EMISSION CONTROL-EUROPE STEP3,WITH(OBD)
RUSSIA SPEC
MOROCCO SPEC
UKRAINE SPEC
AIR CLEANER-WITH(PRE CLEANER)
INDIA SPEC
RUSSIA SPEC&AIR CLEANER-WITH(PRE CLEANER)&EXHAUST EMISSION CONTROL-EUROPE STEP3,WITH(OBD)
UKRAINE SPEC&AIR CLEANER-WITH(PRE CLEANER)&EXHAUST EMISSION CONTROL-EUROPE STEP3,WITH(OBD)
AIR CLEANER-WITH(PRE CLEANER)&EXHAUST EMISSION CONTROL-EUROPE STEP3,WITH(OBD)
UKRAINE SPEC&AIR CLEANER-WITH(PRE CLEANER)
AIR CLEANER-WITH(PRE CLEANER)&EXHAUST EMISSION CONTROL-EUROPE STEP3,WITH(EGR) & WITHOUT(OBD)
AZERBAIJAN,GEORGIA SPEC&AIR CLEANER-WITH(PRE CLEANER)&EXHAUST EMISSION CONTROL-EUROPE STEP3,WITH(EGR) & WITHOUT(OBD)
KAZAKHSTAN SPEC&AIR CLEANER-WITH(PRE CLEANER)&EXHAUST EMISSION CONTROL-EUROPE STEP3,WITH(EGR) & WITHOUT(OBD)
RUSSIA SPEC&AIR CLEANER-WITH(PRE CLEANER)&EXHAUST EMISSION CONTROL-EUROPE STEP3,WITH(EGR) & WITHOUT(OBD)
AZERBAIJAN,GEORGIA SPEC&AIR CLEANER-WITH(PRE CLEANER)
SOUTH AFRICA SPEC
sub89661-60R81
INDIA SPEC&AIR CLEANER-WITH(PRE CLEANER)
KAZAKHSTAN SPEC
AZERBAIJAN,GEORGIA,ARMENIA,BELARUS SPEC
SOUTH AFRICA SPEC&AIR CLEANER-WITH(PRE CLEANER)
sub89661-60S41
SOUTH AFRICA SPEC&AIR CLEANER-WITH(PRE CLEANER)
RUSSIA SPEC&AIR CLEANER-WITH(PRE CLEANER)
sub89666-60A01
DENSO
DENSO
AZERBAIJAN, GEORGIA, ARMENIA SPEC&HEATER-4SEAT INDEPENDENT CONTROL & VISCUS
sub89666-60A11
AZERBAIJAN, GEORGIA, ARMENIA SPEC&HEATER-4SEAT INDEPENDENT CONTROL & PTC & VISCUS
sub89666-60A11
DENSO,RUSSIA SPEC
DENSO,UKRAINE SPEC
DENSO,KAZAKHSTAN SPEC
DENSO,RUSSIA SPEC
DENSO,KAZAKHSTAN SPEC
DENSO,UKRAINE SPEC
sub89666-60A31
INDIA SPEC&HEATER-4SEAT INDEPENDENT CONTROL
sub89666-60A31
DENSO
AZERBAIJAN, GEORGIA, ARMENIA SPEC&EXHAUST EMISSION CONTROL-EUROPE STEP4, WITH(EGR)& WITHOUT(OBD)&HEATER-4SEAT INDEPENDENT CONTROL & PTC & VISCUS
sub89666-60A41
AZERBAIJAN, GEORGIA, ARMENIA SPEC&EXHAUST EMISSION CONTROL-EUROPE STEP4, WITH(EGR)& WITHOUT(OBD)&HEATER-4SEAT INDEPENDENT CONTROL & VISCUS
sub89666-60A41
AZERBAIJAN, GEORGIA, ARMENIA SPEC&EXHAUST EMISSION CONTROL-EUROPE STEP4, WITH(EGR)& WITHOUT(OBD)
sub89666-60A41
MOROCCO SPEC&EXHAUST EMISSION CONTROL-EUROPE STEP4, WITH(EGR) & WITHOUT(OBD)&HEATER-4SEAT INDEPENDENT CONTROL
sub89666-60A41
AZERBAIJAN, GEORGIA, ARMENIA SPEC&EXHAUST EMISSION CONTROL-EUROPE STEP4, WITH(EGR)& WITHOUT(OBD)&HEATER-FRONT DUAL CONTROL
sub89666-60A41
DENSO,AZERBAIJAN, GEORGIA, ARMENIA SPEC&EXHAUST EMISSION CONTROL-EUROPE STEP4, WITH(EGR) & WITHOUT(OBD)&HEATER-4SEAT INDEPENDENT CONTROL & PTC & VISCUS
DENSO,AZERBAIJAN, GEORGIA, ARMENIA SPEC&EXHAUST EMISSION CONTROL-EUROPE STEP4, WITH(EGR) & WITHOUT(OBD)
DENSO,AZERBAIJAN, GEORGIA, ARMENIA SPEC&EXHAUST EMISSION CONTROL-EUROPE STEP4, WITH(EGR) & WITHOUT(OBD)&HEATER-4SEAT INDEPENDENT CONTROL & VISCUS
DENSO,MOROCCO SPEC&EXHAUST EMISSION CONTROL-EUROPE STEP4, WITH(EGR) & WITHOUT(OBD)&HEATER-4SEAT INDEPENDENT CONTROL
DENSO,AZERBAIJAN, GEORGIA, ARMENIA SPEC
DENSO,MOROCCO SPEC&HEATER-4SEAT INDEPENDENT CONTROL
DENSO,AZERBAIJAN, GEORGIA, ARMENIA SPEC&HEATER-4SEAT INDEPENDENT CONTROL & VISCUS
DENSO,AZERBAIJAN, GEORGIA, ARMENIA SPEC&HEATER-4SEAT INDEPENDENT CONTROL & PTC & VISCUS
AZERBAIJAN, GEORGIA, ARMENIA SPEC&EXHAUST EMISSION CONTROL-EUROPE STEP3, WITH(EGR)& WITHOUT(OBD)
sub89666-60A51
AZERBAIJAN, GEORGIA, ARMENIA SPEC&EXHAUST EMISSION CONTROL-EUROPE STEP3, WITH(EGR)& WITHOUT(OBD)&HEATER-4SEAT INDEPENDENT CONTROL & VISCUS
sub89666-60A51
AZERBAIJAN, GEORGIA, ARMENIA SPEC&EXHAUST EMISSION CONTROL-EUROPE STEP3, WITH(EGR)& WITHOUT(OBD)&HEATER-4SEAT INDEPENDENT CONTROL & PTC & VISCUS
sub89666-60A51
AZERBAIJAN, GEORGIA, ARMENIA SPEC&EXHAUST EMISSION CONTROL-EUROPE STEP3, WITH(EGR)& WITHOUT(OBD)&HEATER-FRONT DUAL CONTROL
sub89666-60A51
DENSO,AZERBAIJAN, GEORGIA, ARMENIA SPEC&EXHAUST EMISSION CONTROL-EUROPE STEP3, WITH(EGR) & WITHOUT(OBD)&HEATER-4SEAT INDEPENDENT CONTROL & PTC & VISCUS
DENSO,AZERBAIJAN, GEORGIA, ARMENIA SPEC&EXHAUST EMISSION CONTROL-EUROPE STEP3, WITH(EGR) & WITHOUT(OBD)
DENSO,AZERBAIJAN, GEORGIA, ARMENIA SPEC&EXHAUST EMISSION CONTROL-EUROPE STEP3, WITH(EGR) & WITHOUT(OBD)&HEATER-4SEAT INDEPENDENT CONTROL & VISCUS
SOUTH AFRICA SPEC
89664ASEAL, ENGINE CONTROL COMPUTER
89871ADRIVER, INJECTOR
NO.1
NO.2
RUSSIA SPEC
UKRAINE SPEC
INDIA SPEC&AIR CLEANER-WITH(PRE CLEANER)
AZERBAIJAN,GEORGIA,ARMENIA,BELARUS SPEC
SOUTH AFRICA SPEC&AIR CLEANER-WITH(PRE CLEANER)
MOROCCO SPEC
SOUTH AFRICA SPEC&AIR CLEANER-WITH(PRE CLEANER)&FUEL TANK-WITH(SUB TANK)
SOUTH AFRICA SPEC&EXHAUST EMISSION CONTROL-EUROPE STEP3, WITH(EGR) & WITHOUT(OBD)
SOUTH AFRICA SPEC&EXHAUST EMISSION CONTROL-EUROPE STEP3, WITH(EGR) & WITHOUT(OBD)&FUEL TANK-WITH(SUB TANK)
INDIA SPEC&EXHAUST EMISSION CONTROL-EUROPE STEP4, WITH(EGR) & WITHOUT(OBD)
AZERBAIJAN, GEORGIA, ARMENIA SPEC&EXHAUST EMISSION CONTROL-EUROPE STEP4, WITH(EGR)& WITHOUT(OBD)
AZERBAIJAN, GEORGIA, ARMENIA SPEC&EXHAUST EMISSION CONTROL-EUROPE STEP3, WITH(EGR)& WITHOUT(OBD)
EXHAUST EMISSION CONTROL-EUROPE STEP4, WITH(EGR) & WITHOUT(OBD)
EXHAUST EMISSION CONTROL-EUROPE STEP3, WITH(EGR) & WITHOUT(OBD)
EXHAUST EMISSION CONTROL-EUROPE STEP3, WITH(EGR) & WITHOUT(OBD)&FUEL TANK-WITH(SUBTANK)
EXHAUST EMISSION CONTROL-EUROPE STEP4, WITH(EGR) & WITHOUT(OBD)&FUEL TANK-WITH(SUBTANK)
MOROCCO SPEC&EXHAUST EMISSION CONTROL-EUROPE STEP4, WITH(EGR) & WITHOUT(OBD)
KAZAKHSTAN SPEC
89878DRIVER, TURBO MOTOR
sub89840-60011
SOUTH AFRICA SPEC&AIR CLEANER-WITH(PRE CLEANER)
sub89840-60011
SOUTH AFRICA SPEC&AIR CLEANER-WITH(PRE CLEANER)&FUEL TANK-WITH(SUB TANK)
sub89840-60011
SOUTH AFRICA SPEC&AIR CLEANER-WITH(PRE CLEANER)
KAZAKHSTAN SPEC
RUSSIA SPEC
UKRAINE SPEC
INDIA SPEC&AIR CLEANER-WITH(PRE CLEANER)
AZERBAIJAN,GEORGIA,ARMENIA,BELARUS SPEC
MOROCCO SPEC
SOUTH AFRICA SPEC&AIR CLEANER-WITH(PRE CLEANER)&FUEL TANK-WITH(SUB TANK)
89879BBRACKET, INJECTOR DRIVER
RUSSIA SPEC,NO.1
AZERBAIJAN, GEORGIA, ARMENIA SPEC&EXHAUST EMISSION CONTROL-EUROPE STEP4, WITH(EGR)& WITHOUT(OBD),NO.1
MOROCCO SPEC&EXHAUST EMISSION CONTROL-EUROPE STEP4, WITH(EGR) & WITHOUT(OBD),NO.1
NO.1
EXHAUST EMISSION CONTROL-EUROPE STEP4, WITH(EGR) & WITHOUT(OBD)&FUEL TANK-WITH(SUBTANK),NO.1
EXHAUST EMISSION CONTROL-EUROPE STEP3, WITH(EGR) & WITHOUT(OBD)&FUEL TANK-WITH(SUBTANK),NO.1
EXHAUST EMISSION CONTROL-EUROPE STEP3, WITH(EGR) & WITHOUT(OBD),NO.1
EXHAUST EMISSION CONTROL-EUROPE STEP4, WITH(EGR) & WITHOUT(OBD),NO.1
AZERBAIJAN, GEORGIA, ARMENIA SPEC&EXHAUST EMISSION CONTROL-EUROPE STEP3, WITH(EGR)& WITHOUT(OBD),NO.1
INDIA SPEC&EXHAUST EMISSION CONTROL-EUROPE STEP4, WITH(EGR) & WITHOUT(OBD),NO.1
SOUTH AFRICA SPEC&EXHAUST EMISSION CONTROL-EUROPE STEP3, WITH(EGR) & WITHOUT(OBD)&FUEL TANK-WITH(SUB TANK),NO.1
SOUTH AFRICA SPEC&EXHAUST EMISSION CONTROL-EUROPE STEP3, WITH(EGR) & WITHOUT(OBD),NO.1
SOUTH AFRICA SPEC&AIR CLEANER-WITH(PRE CLEANER)&FUEL TANK-WITH(SUB TANK),NO.1
MOROCCO SPEC,NO.1
UKRAINE SPEC,NO.1
INDIA SPEC&AIR CLEANER-WITH(PRE CLEANER),NO.1
AZERBAIJAN,GEORGIA,ARMENIA,BELARUS SPEC,NO.1
KAZAKHSTAN SPEC,NO.1
SOUTH AFRICA SPEC&AIR CLEANER-WITH(PRE CLEANER),NO.1
EXHAUST EMISSION CONTROL-EUROPE STEP4, WITH(EGR) & WITHOUT(OBD)&FUEL TANK-WITH(SUBTANK),NO.2
NO.2
KAZAKHSTAN SPEC,NO.2
SOUTH AFRICA SPEC&AIR CLEANER-WITH(PRE CLEANER),NO.2
RUSSIA SPEC,NO.2
UKRAINE SPEC,NO.2
INDIA SPEC&AIR CLEANER-WITH(PRE CLEANER),NO.2
AZERBAIJAN,GEORGIA,ARMENIA,BELARUS SPEC,NO.2
MOROCCO SPEC,NO.2
SOUTH AFRICA SPEC&AIR CLEANER-WITH(PRE CLEANER)&FUEL TANK-WITH(SUB TANK),NO.2
SOUTH AFRICA SPEC&EXHAUST EMISSION CONTROL-EUROPE STEP3, WITH(EGR) & WITHOUT(OBD),NO.2
SOUTH AFRICA SPEC&EXHAUST EMISSION CONTROL-EUROPE STEP3, WITH(EGR) & WITHOUT(OBD)&FUEL TANK-WITH(SUB TANK),NO.2
INDIA SPEC&EXHAUST EMISSION CONTROL-EUROPE STEP4, WITH(EGR) & WITHOUT(OBD),NO.2
AZERBAIJAN, GEORGIA, ARMENIA SPEC&EXHAUST EMISSION CONTROL-EUROPE STEP4, WITH(EGR)& WITHOUT(OBD),NO.2
AZERBAIJAN, GEORGIA, ARMENIA SPEC&EXHAUST EMISSION CONTROL-EUROPE STEP3, WITH(EGR)& WITHOUT(OBD),NO.2
EXHAUST EMISSION CONTROL-EUROPE STEP4, WITH(EGR) & WITHOUT(OBD),NO.2
EXHAUST EMISSION CONTROL-EUROPE STEP3, WITH(EGR) & WITHOUT(OBD),NO.2
EXHAUST EMISSION CONTROL-EUROPE STEP3, WITH(EGR) & WITHOUT(OBD)&FUEL TANK-WITH(SUBTANK),NO.2
MOROCCO SPEC&EXHAUST EMISSION CONTROL-EUROPE STEP4, WITH(EGR) & WITHOUT(OBD),NO.2
AZERBAIJAN, GEORGIA, ARMENIA SPEC&EXHAUST EMISSION CONTROL-EUROPE STEP4, WITH(EGR)& WITHOUT(OBD),NO.3
RUSSIA SPEC,NO.3
SOUTH AFRICA SPEC&AIR CLEANER-WITH(PRE CLEANER),NO.3
AZERBAIJAN,GEORGIA,ARMENIA,BELARUS SPEC,NO.3
INDIA SPEC&AIR CLEANER-WITH(PRE CLEANER),NO.3
UKRAINE SPEC,NO.3
EXHAUST EMISSION CONTROL-EUROPE STEP3, WITH(EGR) & WITHOUT(OBD),NO.3
EXHAUST EMISSION CONTROL-EUROPE STEP3, WITH(EGR) & WITHOUT(OBD)&FUEL TANK-WITH(SUBTANK),NO.3
EXHAUST EMISSION CONTROL-EUROPE STEP4, WITH(EGR) & WITHOUT(OBD)&FUEL TANK-WITH(SUBTANK),NO.3
EXHAUST EMISSION CONTROL-EUROPE STEP4, WITH(EGR) & WITHOUT(OBD),NO.3
AZERBAIJAN, GEORGIA, ARMENIA SPEC&EXHAUST EMISSION CONTROL-EUROPE STEP3, WITH(EGR)& WITHOUT(OBD),NO.3
MOROCCO SPEC,NO.3
SOUTH AFRICA SPEC&AIR CLEANER-WITH(PRE CLEANER)&FUEL TANK-WITH(SUB TANK),NO.3
MOROCCO SPEC&EXHAUST EMISSION CONTROL-EUROPE STEP4, WITH(EGR) & WITHOUT(OBD),NO.3
NO.3
KAZAKHSTAN SPEC,NO.3
SOUTH AFRICA SPEC&EXHAUST EMISSION CONTROL-EUROPE STEP3, WITH(EGR) & WITHOUT(OBD),NO.3
SOUTH AFRICA SPEC&EXHAUST EMISSION CONTROL-EUROPE STEP3, WITH(EGR) & WITHOUT(OBD)&FUEL TANK-WITH(SUB TANK),NO.3
INDIA SPEC&EXHAUST EMISSION CONTROL-EUROPE STEP4, WITH(EGR) & WITHOUT(OBD),NO.3
KAZAKHSTAN SPEC&MOON ROOF-WITH(REMOTE CONTROL),NO.1
NO.1
RUSSIA SPEC&MOON ROOF-WITH(REMOTE CONTROL),NO.1
NO.2
KAZAKHSTAN SPEC&MOON ROOF-WITH(REMOTE CONTROL),NO.2
RUSSIA SPEC&MOON ROOF-WITH(REMOTE CONTROL),NO.2
221931C170RING, O(FOR LEVER CONNECTING PIN)
main22193-1C170
9011906787
main90119-06787
9011906915
main90119-06915
9017908068
main90179-08068
9043012005
main90430-12005
9043016010
main90430-16010
9155180616
main91551-80616
9167380816
main91673-80816
9331914008
main93319-14008
9338315010
main93383-15010
22 parts on this diagram · 3 diagrams in section