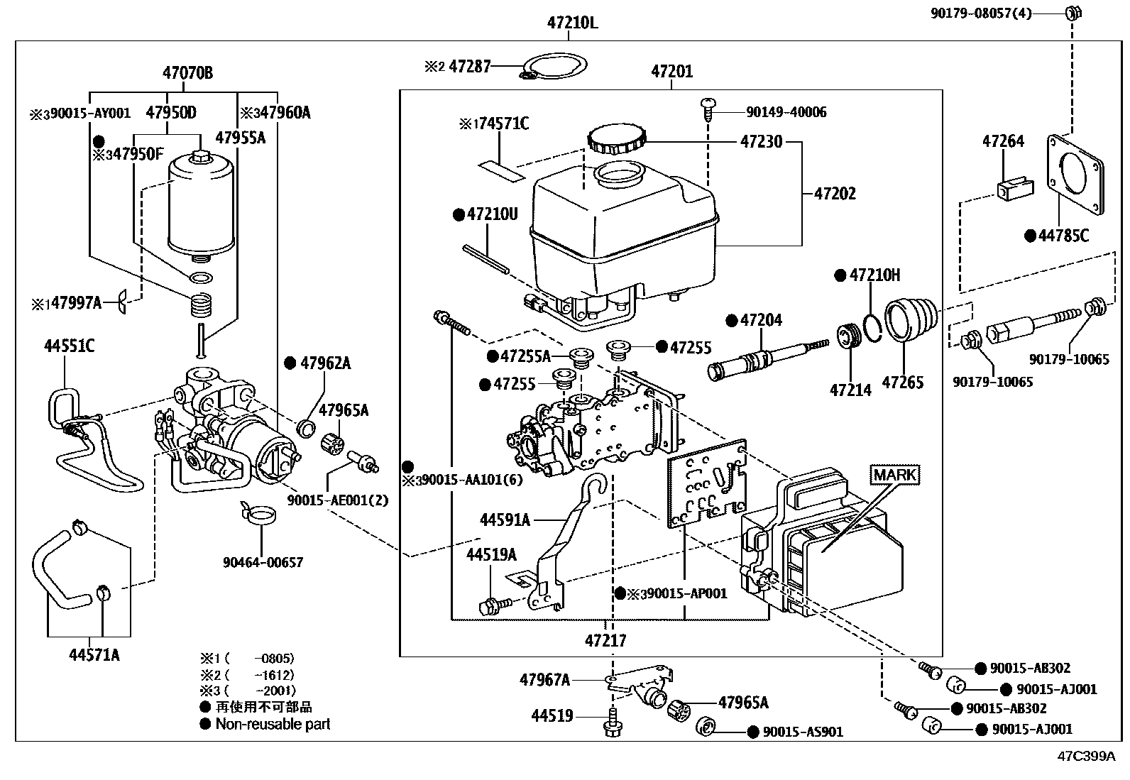
BRAKE MASTER CYLINDER

44519BOLT, BRAKE ACTUATOR
44519ABOLT(FOR BRAKE BOOSTER PUMP)
44551CTUBE, BRAKE ACTUATOR, NO.1
44571AHOSE, BRAKE ACTUATOR, NO.1
44591ABRACKET, BRAKE ACTUATOR, NO.1
44785CGASKET, BRAKE BOOSTER
47202RESERVOIR SUB-ASSY, BRAKE MASTER CYLINDER
47204PISTON, MASTER CYLINDER
47210HRING, SNAP(FOR BRAKE MASTER CYLINDER)
47210LBRAKE BOOSTER ASSY, W/MASTER CYLINDER
MARK=89541-60160
MARK=89541-60270
MARK=89541-60321
sub47050-60681
sub47050-60682
sub47050-60683
47210UPIN, STRAIGHT(FOR BRAKE MASTER CYLINDER)
47214PLUG, MASTER CYLINDER
47217SOLENOID, MASTER CYLINDER
MARK=89541-60270
MARK=89541-60321
sub47217-60571
sub47217-60572
sub47217-60573
47255GROMMET, MASTER CYLINDER RESERVOIR
47255AGROMMET, MASTER CYLINDER RESERVOIR, NO.2
47264CLEVIS, MASTER CYLINDER PUSH ROD
47265BOOT, MASTER CYLINDER
47950DACCUMULATOR ASSY, BRAKE BOOSTER
47950FRING, O(FOR BRAKE BOOSTER ACCUMULATOR)
47955APIPE, BRAKE BOOSTER ACCUMULATOR
47962ACOLLAR, BRAKE BOOSTER PUMP
47965ABUSH, BRAKE BOOSTER PUMP
47967ABRACKET, BRAKE BOOSTER PUMP, NO.1
47997ALABEL, ACCUMULATOR CAUTION, NO.1
74571CLABEL, BRAKE FLUID INFORMATION
90015AA101
main90015-AA101
90015AB302
main90015-AB302
90015AE001
main90015-AE001
90015AJ001
main90015-AJ001
90015AP001
main90015-AP001
90015AS901
main90015-AS901
90015AY001
main90015-AY001
9014940006
main90149-40006
9017908057
main90179-08057
9017910065
main90179-10065
9046400657
main90464-00657
41 parts on this diagram · 1 diagram in section