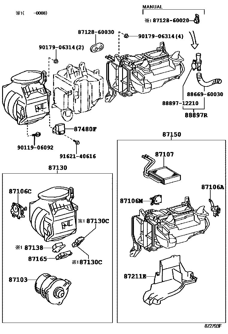
HEATING & AIR CONDITIONING - HEATER UNIT & BLOWER

87103MOTOR SUB-ASSY, HEATER BLOWER, W/FAN
87106ASERVO SUB-ASSY, DAMPER
87106CSERVO SUB-ASSY, DAMPER(FOR BLOWER)
87106MSERVO SUB-ASSY, DAMPER, NO.2
87107UNIT SUB-ASSY, HEATER RADIATOR
COLD AREA SPEC
COLD AREA SPEC
87130BLOWER ASSY, HEATER, FRONT
sub87130-60331
W(SINGLE AUTOMATIC AIR CONDITIONER)
W(SINGLE AUTOMATIC AIR CONDITIONER)
sub87130-60391
W(SINGLE AUTOMATIC AIR CONDITIONER)
W(SINGLE AUTOMATIC AIR CONDITIONER)
87130CRELAY, HEATER BLOWER MOTOR
87138RESISTOR, HEATER BLOWER
87150RADIATOR ASSY, HEATER
sub87150-60790
sub87150-60662
sub87150-60672
sub87150-60664
COLD AREA SPEC
COLD AREA SPEC
COLD AREA SPEC
87165CONTROL, BLOWER MOTOR, NO.1
87211EDUCT, AIR
87480FAMPLIFIER ASSY, HEATER
88897RASPIRATOR
8712860020GROMMET, HEATER
main87128-60020
8712860030GROMMET, HEATER
main87128-60030
8866960030HOSE, COOLER AIR
main88669-60030
8889712210VALVE, COOLER MAGNET
main88897-12210
9011906092
9017906314
9162140616
20 parts on this diagram · 4 diagrams in section