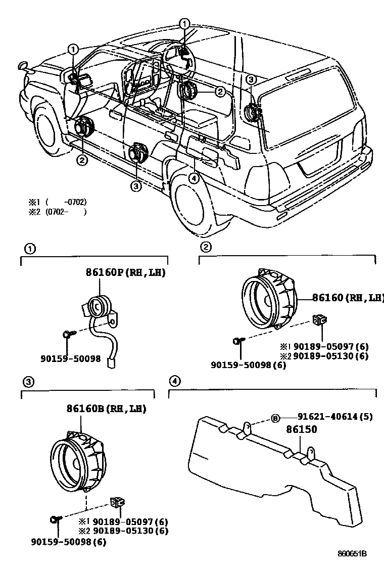
SPEAKER

86150SPEAKER ASSY, W/BOX, NO.1
86160SPEAKER ASSY, FRONT NO.1
15W,MATSUSHITA
20W,MATSUSHITA
PIONEER
86160BSPEAKER ASSY, REAR
MATSUSHITA
PIONEER
86160PSPEAKER ASSY, FRONT NO.2
RH,PIONEER
LH,PIONEER
RH,MATSUSHITA
MATSUSHITA,LH
9015950098
main90159-50098
9018905097
main90189-05097
9018905130
main90189-05130
9162140614
main91621-40614
8 parts on this diagram · 1 diagram in section