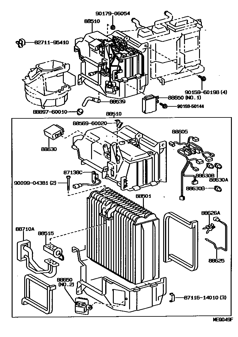
HEATING & AIR CONDITIONING - COOLER UNIT

87138CRESISTOR, BLOWER
88510UNIT ASSY, COOLER
MAKER OPT
DEALER OPT
MAKER OPT
SINGLE AIR CONDITIONER
AUTO AIR CONDITIONER
MAKER OPT
DEALER OPT
DEALER OPT
DEALER OPT
MAKER OPT
MAKER OPT
88539HOSE, COOLER UNIT DRAIN, NO.1
SINGLE AIR CONDITIONER
SINGLE DEALER OPT
88605HARNESS SUB-ASSY, COOLER WIRING, NO.1
SINGLE DEALER OPT
SINGLE DEALER OPT
SINGLE DEALER OPT
88625THERMISTOR, COOLER, NO.1
SINGLE DEALER OPT
AUTO AIR CONDITION
W(BOOST VENTILAT0R) OR W(FR+RR HEATER & SINGLE AIR CONDITIONER
sub88625-60050
88626AHOLDER, THERMISTOR
88630RELAY ASSY, COOLER
NO.3
NO.2
NO.2
88630ARELAY ASSY, COOLER
88630BRELAY ASSY, COOLER
88650AMPLIFIER ASSY, COOLER STABILIZER
SINGLE AIR CONDITIONER
AUTO AIR CONDITIONER
NO.2
MANUAL AIR CONDITIONER
DEALER OPTION
NO.1
DUAL AIR CONDITIONER
88710ATUBE ASSY, AIR CONDITIONER
8271195410WIRE, FUSE TO FUSE(FOR COMBUSTION HEATER)
main82711-95410
8711614010SPRING, HEATER CASE FASTENING
main87116-14010
8856960020CLAMP (FOR COOLER RELAY)
main88569-60020
8889760010VALVE, COOLER MAGNET
main88897-60010
9009904381
main90099-04381
9015950144
main90159-50144
9015960198
main90159-60198
9017906054
main90179-06054
21 parts on this diagram · 2 diagrams in section