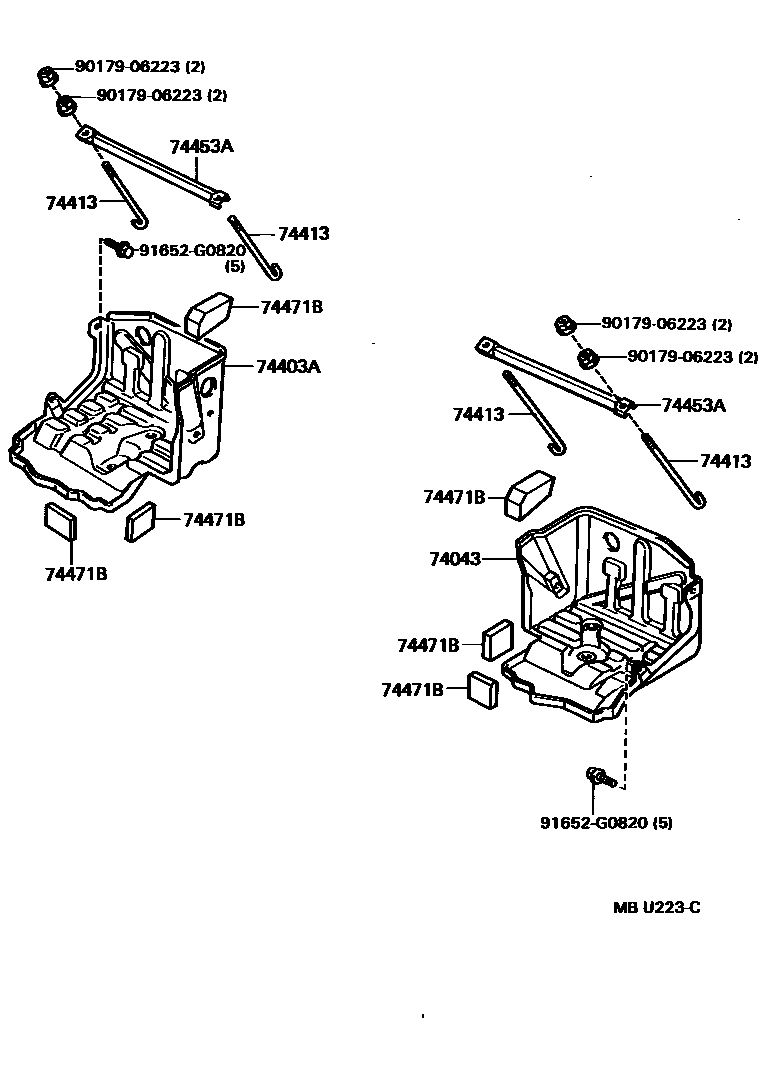
BATTERY CARRIER

74043CARRIER SUB-ASSY, BATTERY, NO.2
74403ACARRIER SUB-ASSY, BATTERY
74413BOLT, BATTERY CLAMP
74453ABAR, BATTERY SET PLATE
74471BPAD, BATTERY BOX
100X100
50X110
9017906223
91652G0820
7 parts on this diagram · 1 diagram in section

7 parts on this diagram · 1 diagram in section