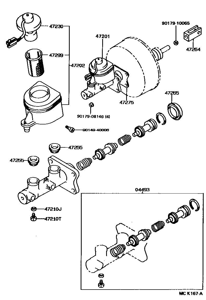
BRAKE MASTER CYLINDER

47202RESERVOIR SUB-ASSY, BRAKE MASTER CYLINDER
W(*66)
47210JGASKET(FOR MASTER CYLINDER)
47210TBOLT(FOR BRAKE MASTER CYLINDER)
47255GROMMET, MASTER CYLINDER RESERVOIR
47264CLEVIS, MASTER CYLINDER PUSH ROD
47265BOOT, MASTER CYLINDER
47275GASKET, BRAKE MASTER CYLINDER
47299STRAINER, BRAKE MASTER CYLINDER RESERVOIR
9014940006
main90149-40006
9017908146
main90179-08146
9017910065
main90179-10065
14 parts on this diagram · 3 diagrams in section