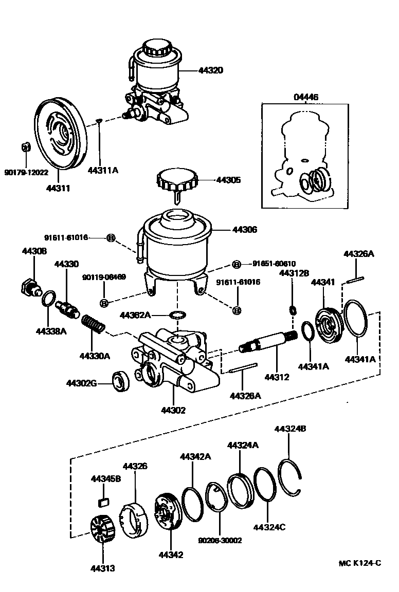
VANE PUMP & RESERVOIR (POWER STEERING)

04446GASKET KIT, POWER STEERING PUMP
44302HOUSING SUB-ASSY, VANE PUMP, FRONT
44302GSEAL, OIL, NO.2(FOR VANE PUMP HOUSING)
44305CAP SUB-ASSY, VANE PUMP OIL RESERVOIR
44306RESERVOIR SUB-ASSY, VANE PUMP OIL
44308UNION SUB-ASSY, PRESSURE PORT
44311PULLEY, VANE PUMP
44311AKEY, VANE PUMP PULLEY
44312SHAFT, VANE PUMP
44312BRING, SNAP, NO.1(FOR VANE PUMP SHAFT)
44313ROTOR, VANE PUMP
MARK 1
MARK 2
MARK 3
MARK 4
NO MARK
MARK 1
MARK 2
MARK 3
MARK 4
44320PUMP ASSY, VANE
44324AHOUSING, PUMP, REAR
44324BRING, HOLE SNAP(FOR PUMP HOUSING REAR)
44324CRING, O(FOR PUMP HOUSING REAR)
44326RING, CAM(FOR VANE PUMP)
NO MARK
MARK 1
MARK 2
MARK 3
MARK 4
NO MARK
MARK 1
MARK 2
MARK 3
44326APIN, STRAIGHT(FOR VANE PUMP CAM RING)
L=29.1
L=28,OD=4.0
L=43,OD=4.0
44330VALVE ASSY, FLOW CONTROL
MARK A
MARK B
MARK C
MARK D
MARK E
MARK F
TWO GROOVE
ONE GROOVE
NO GROOVE
TWO GROOVE
ONE GROOVE
NO GROOVE
44330ASPRING, COMPRESSION(FOR FLOW CONTROL VALVE)
44338ARING, O(FOR PRESSURE PORT UNION)
44341PLATE, VANE PUMP SIDE, FRONT
44341ARING, O(FOR VANE PUMP FRONT SIDE PLATE)
INNER
INNER
OUTER
44342PLATE, VANE PUMP SIDE, REAR
44342ARING, O(FOR VANE PUMP SIDE PLATE REAR)
44345BPLATE, VANE PUMP
L=14.997
L=14.995
L=14.993
L=14.991
L=14.989
L=14.998
L=14.996
L=14.994
L=14.992
L=14.996
L=14.994
L=14.992
44362ARING, O(FOR VANE PUMP OIL RESERVOIR)
9011908469
9017912022
9020630002
9161161016
9165160610
31 parts on this diagram · 5 diagrams in section