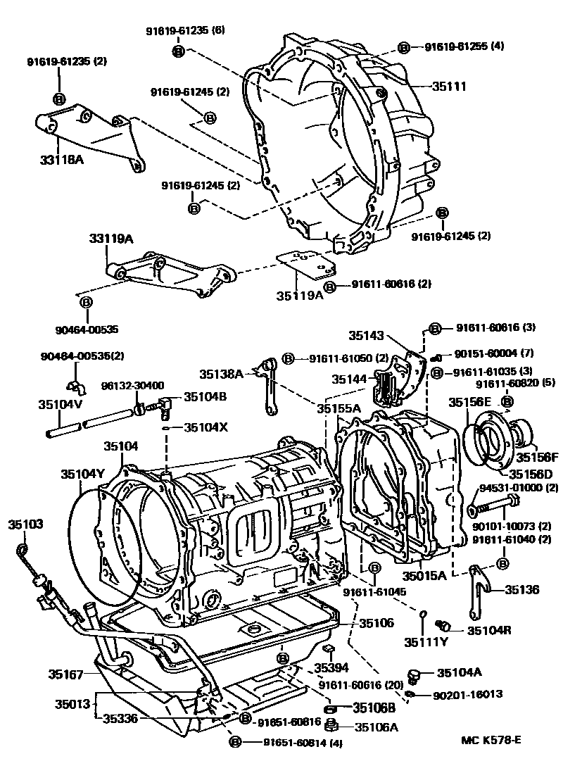
TRANSMISSION CASE & OIL PAN (ATM)

35013TUBE SUB-ASSY, TRANSMISSION OIL FILLER
35015AADAPTER SUB-ASSY, TRANSMISSION CASE, REAR
35103GAGE SUB-ASSY, TRANSMISSION OIL LEVEL
35104APLUG, AUTOMATIC TRANSMISSION CASE
35104BPLUG, BREATHER, NO.1 (ATM)
35104RPLUG, NO.2 (FOR TRANSAXLE CASE)
35104VHOSE (FOR BREATHER PLUG)
35104XRING, O (FOR BREATHER PLUG)
35104YRING, O (FOR AUTOMATIC TRANSMISSION CASE)
35106APLUG SUB-ASSY, DRAIN (ATM)
35106BGASKET, DRAIN PLUG (ATM)
35111YRING, O (FOR AUTOMATIC TRANSMISSION CASE)
35119ACOVER, TRANSMISSION HOUSING
35136HANGER, TRANSMISSION,NO.1
35138AHANGER, TRANSMISSION, NO.2
35143COVER, TRANSMISSION CASE, REAR
W(*CDL & PTO DRIVE GEAR)
35156DCOVER, TRANSMISSION CASE REAR ADAPTER
35156ERING, O(FOR TRANSMISSION CASE REAR ADAPTER COVER)
35156FSEAL, OIL(FOR TRANSMISSION CASE REAR ADAPTER COVER)
35336RING, O (FOR TRANSMISSION OIL FILLER TUBE)
35394MAGNET, OIL CLEANER (FOR TRANSMISSION)
9010110073
main90101-10073
9015160004
main90151-60004
9020116013
main90201-16013
9046400535
main90464-00535
9161160616
main91611-60616
9161160820
main91611-60820
9161161035
main91611-61035
9161161040
main91611-61040
9161161045
main91611-61045
9161161050
main91611-61050
9161961235
main91619-61235
9161961245
main91619-61245
9161961255
main91619-61255
9165160814
main91651-60814
9165160816
main91651-60816
9453101000
main94531-01000
9613230400
main96132-30400
46 parts on this diagram · 2 diagrams in section