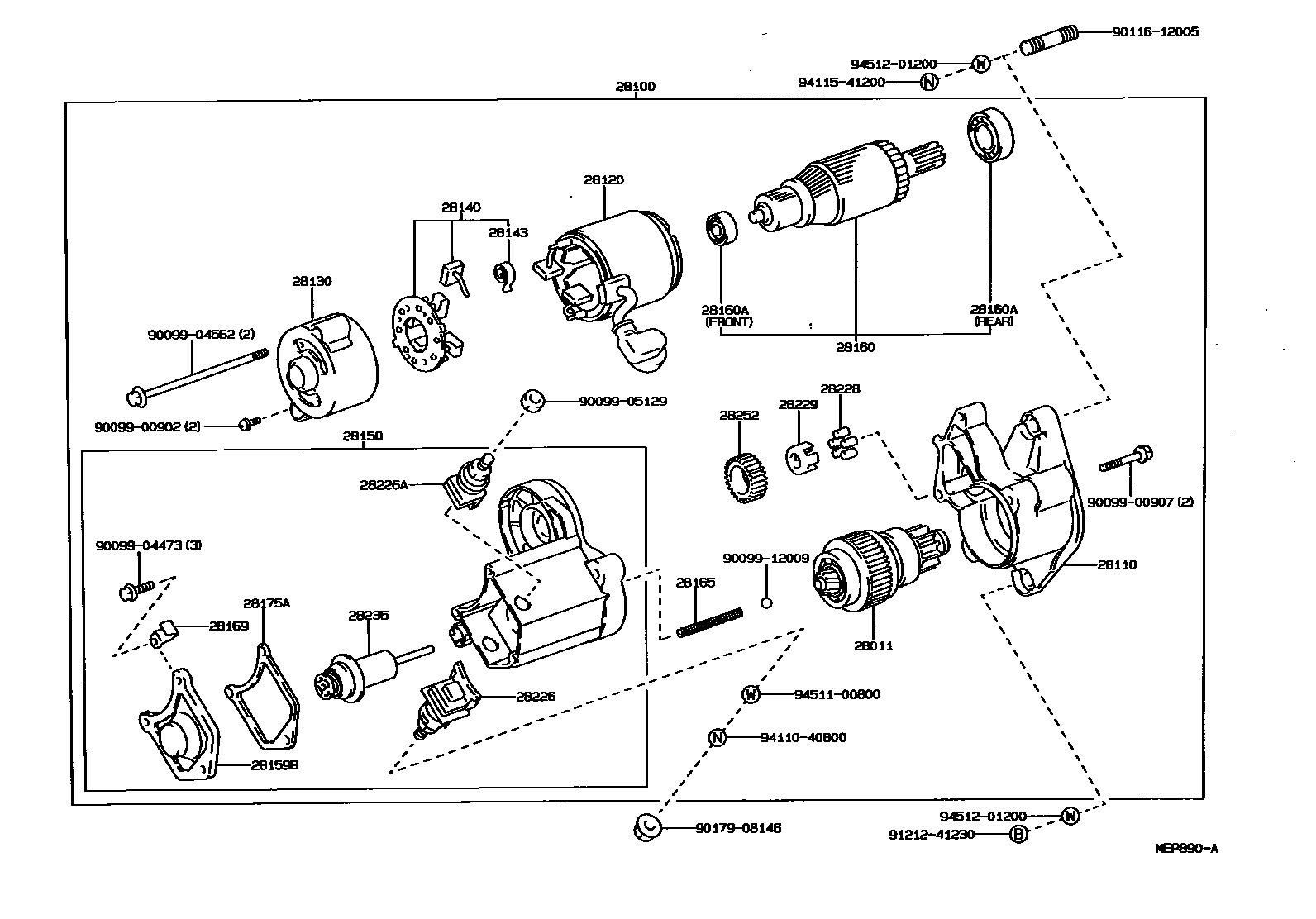
STARTER

28011CLUTCH SUB-ASSY, STARTER
COLD SPEC
28100STARTER ASSY
24V 4.5KW
24V 4.5KW
12V 1.0KW
12V 1.4KW
12V 2.0KW
12V 2.0KW,COLD SPEC
28110HOUSING ASSY, STARTER DRIVE
28120YOKE ASSY, STARTER
COLD SPEC
28130FRAME ASSY, STARTER COMMUTATOR END
28140HOLDER ASSY, STARTER BRUSH
COLD SPEC
28143SPRING, STARTER BRUSH
28159BCOVER, MAGNET SWITCH
28160ARMATURE ASSY, STARTER
COLD SPEC
28160ABEARING, STARTER ARMATURE
FRONT
FRONT
FRONT
REAR
REAR
REAR
REAR
FRONT
28165SPRING, STARTER MAGNET SWITCH RETURN
28169CLAMP, STARTER MOTOR LEAD WIRE
28175AGASKET, MAGNET SWITCH COVER
28226ASTARTER KIT, MOTOR TERMINAL
28228ROLLER, STARTER IDLE GEAR CLUTCH
28229RETAINER, STARTER IDLE GEAR
28235PLUNGER, MAGNET SWITCH
28252GEAR, STARTER IDLE
9009900902
main90099-00902
9009900907
main90099-00907
9009904473
main90099-04473
9009904562
main90099-04562
9009905129
main90099-05129
9009912009
main90099-12009
9011612005
main90116-12005
9017908146
main90179-08146
9121241230
main91212-41230
9411040800
main94110-40800
9411541200
main94115-41200
9451100800
main94511-00800
9451201200
main94512-01200
33 parts on this diagram · 4 diagrams in section