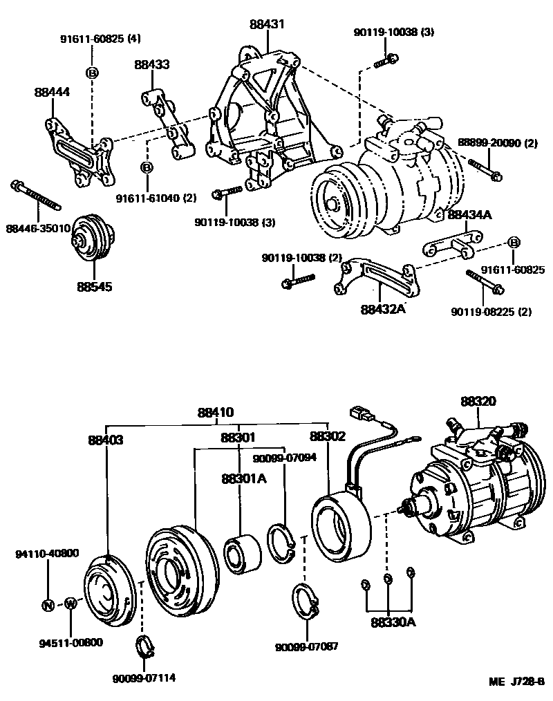
HEATING & AIR CONDITIONING - COMPRESSOR

88301ROTOR SUB-ASSY, MAGNET CLUTCH
88301ABEARING (FOR MAGNET CLUTCH)
88302STATOR SUB-ASSY, MAGNET CLUTCH
88320COMPRESSOR ASSY, COOLER
88330AWASHER (FOR MAGNET CLUTCH)
88403HUB SUB-ASSY, MAGNET CLUTCH
88410CLUTCH ASSY, MAGNET
88431BRACKET, COMPRESSOR MOUNTING, NO.1
88432AATTACHMENT, COMPRESSOR
88433BRACKET, COMPRESSOR MOUNTING, NO.3
88434AATTACHMENT, COMPRESSOR
88444BRACKET, IDLE PULLEY
88545PULLEY ASSY, IDLE
8844635010BOLT, IDLE PULLEY
main88446-35010
8889920090COVER, EVAPORATOR
main88899-20090
9009907087
main90099-07087
9009907094
main90099-07094
9009907114
main90099-07114
9011908225
main90119-08225
9011910038
main90119-10038
9161160825
main91611-60825
9161161040
main91611-61040
9411040800
main94110-40800
9451100800
main94511-00800
24 parts on this diagram · 2 diagrams in section