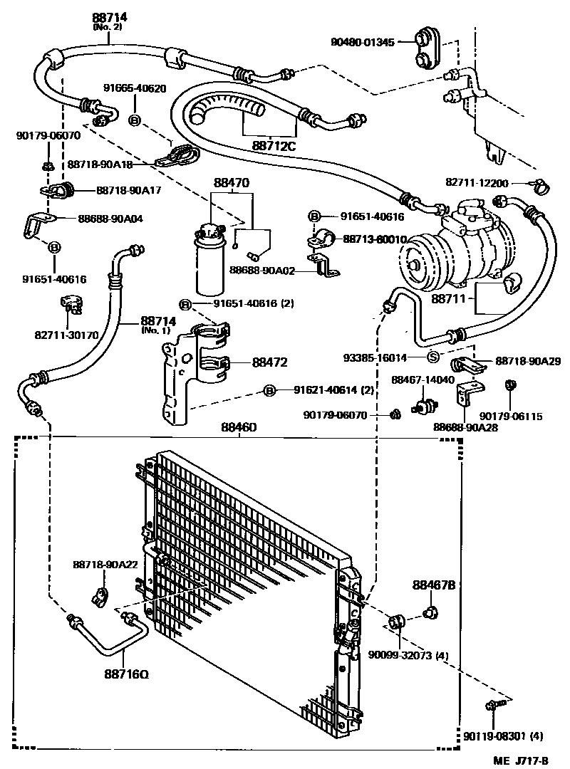
HEATING & AIR CONDITIONING - COOLER PIPING

88467BINSULATOR, COOLER CONDENSER MOUNTING
88470RECEIVER & DRYER ASSY, COOLER
sub04884-33110
88472BRACKET, RECEIVER TANK, NO.1
88711HOSE, COOLER REFRIGERANT DISCHARGE, NO.1
88712CHOSE, SUCTION
88714HOSE, COOLER REFRIGERANT LIQUID, NO.1
NO.1
NO.2
88716QPIPE, COOLER REFRIGERANT LIQUID, Q
8271112200WIRE, FUSE TO FUSE(FOR COMBUSTION HEATER)
main82711-12200
8271130170WIRE, FUSE TO FUSE(FOR COMBUSTION HEATER)
main82711-30170
8846714040CUSHION, COOLER CONDENSER, NO.1
main88467-14040
8868890A02BRACKET, COOLER DIAPHRAGM
main88688-90A02
8868890A04BRACKET, COOLER DIAPHRAGM
main88688-90A04
8868890A28BRACKET, COOLER DIAPHRAGM
main88688-90A28
8871360010HOSE, COOLER REFRIGERANT SUCTION, NO.2
main88713-60010
8871890A17PIPE, COOLER REFRIGERANT SUCTION, NO.2
main88718-90A17
8871890A18PIPE, COOLER REFRIGERANT SUCTION, NO.2
main88718-90A18
8871890A22PIPE, COOLER REFRIGERANT SUCTION, NO.2
main88718-90A22
8871890A29PIPE, COOLER REFRIGERANT SUCTION, NO.2
main88718-90A29
9009932073
main90099-32073
9011908301
main90119-08301
9017906070
main90179-06070
9017906115
main90179-06115
9048001345
main90480-01345
9162140614
main91621-40614
9165140616
main91651-40616
9166540620
main91665-40620
9338516014
main93385-16014
28 parts on this diagram · 1 diagram in section