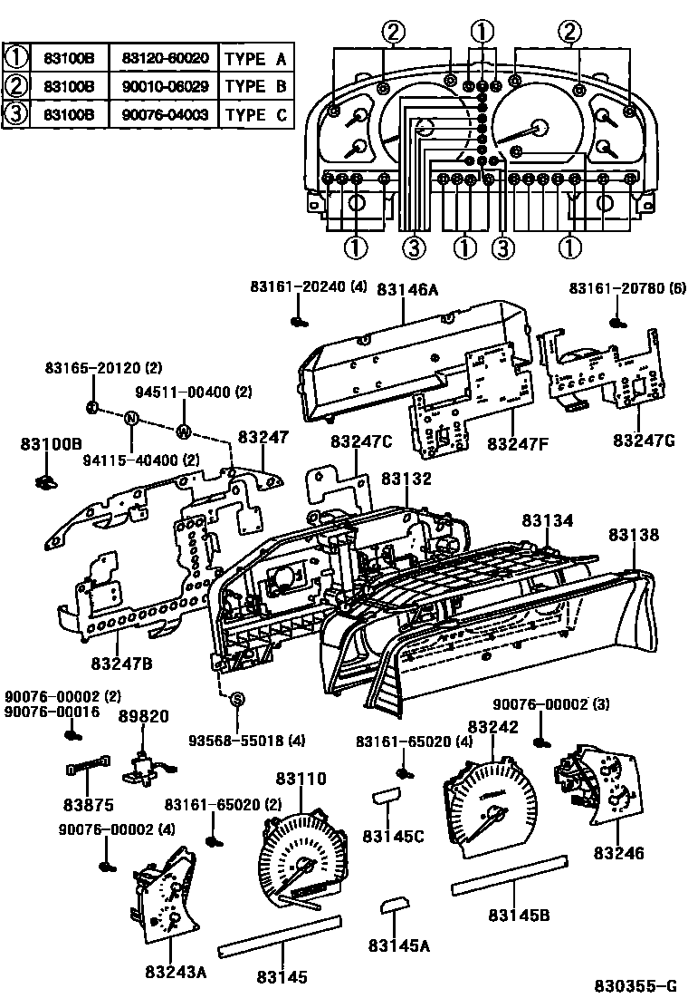
METER

83100METER ASSY, COMBINATION
MEXICO SPEC
MEXICO SPEC
MEXICO SPEC
W(ACTIVE HEIGHT CONTROL & TEMS)
W(ACTIVE HEIGHT CONTROL & TEMS)
83100BBULB, COMBINATION METER, NO.1
12V 1.4W,W(SOCKET),TYPE A:REFER TO ILLUSTRATION
14V 3.0W,W(SOCKET),TYPE B:REFER TO ILLUSTRATION
14V 0.84W,W(SOCKET)
12V 1.12W,W(SOCKET),TYPE C:REFER TO ILLUSTRATION
83110SPEEDOMETER ASSY
83132CASE, COMBINATION METER
83134COVER, COMBINATION METER, NO.1
83145LENS, METER, NO.1
83145ALENS, METER, NO.2
83145CLENS, METER, NO.4
83146ACOVER, SPEEDMETER
83242TACHOMETER ASSY, ENGINE
W(VSC)
W(VSC)
83243AGAUGE SUB-ASSY, FUEL RECEIVER
83246GAUGE, OIL PRESSURE RECEIVER
83247PLATE, METER CIRCUIT
83247BPLATE, METER CIRCUIT, NO.2
83247CPLATE, MATER CIRCUIT, NO.3
83247FPLATE, METER CIRCUIT, NO.1 (FOR COMPUTER)
W(VSC)
83247GPLATE, METER CIRCUIT, NO.2 (FOR COMPUTER)
W(VSC)
83875WIRE, COMBINATION METER, NO.1
8316120240CASE, COMBINATION METER MIRROR, NO.1
main83161-20240
8316120780CASE, COMBINATION METER MIRROR, NO.1
main83161-20780
8316165020CASE, COMBINATION METER MIRROR, NO.1
main83161-65020
8316520120MIRROR, COMBINATION METER, NO.2
main83165-20120
9007600002
main90076-00002
9007600016
main90076-00016
9356855018
main93568-55018
9411540400
main94115-40400
9451100400
main94511-00400
30 parts on this diagram · 3 diagrams in section