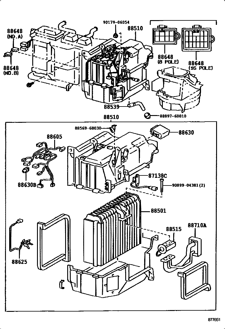
HEATING & AIR CONDITIONING - COOLER UNIT

87138CRESISTOR, BLOWER
40TH ANNIVERSARY EDITION
88510UNIT ASSY, COOLER
40TH ANNIVERSARY EDITION
DUAL AIR CONDITIONER
88605HARNESS SUB-ASSY, COOLER WIRING, NO.1
40TH ANNIVERSARY EDITION
DUAL AIR CONDITIONER
88630RELAY ASSY, COOLER
4P
40TH ANNIVERSARY EDITION,4P
40TH ANNIVERSARY EDITION
88630BRELAY ASSY, COOLER
88648WIRING, COOLER, NO.1
16 POLE
8 POLE
88710ATUBE ASSY, AIR CONDITIONER
8856960030CLAMP (FOR COOLER RELAY)
main88569-60030
8889760010VALVE, COOLER MAGNET
main88897-60010
9009904381
main90099-04381
9017906054
main90179-06054
15 parts on this diagram · 2 diagrams in section