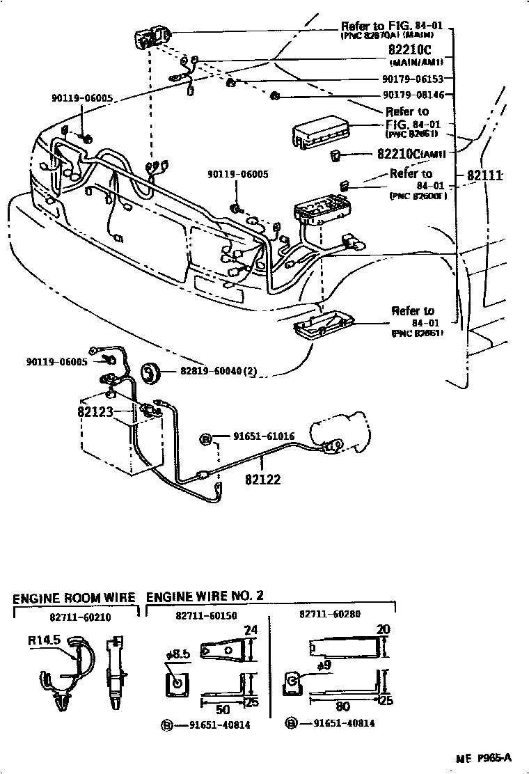
WIRING & CLAMP

82111WIRE, ENGINE ROOM MAIN
W(12V 90A ALTERNATOR)
40TH ANNIVERSARY EDITION
82122WIRE, ENGINE, NO.2
W/O(COLD SPEC)
W/O(COLD SPEC)
W/O(COLD SPEC)
82123WIRE, ENGINE, NO.3
W/O(COLD SPEC)
W/O(COLD SPEC)
W/O(COLD SPEC)
82210CFUSIBLE LINK
60A,TERM.:FEMALE,YEL
50A,TERM.:FEMALE,RED,AM1(RELAY BLOCK)
L=110,MAIN,GLOW,AM2
8401
8271160150WIRE, FUSE TO FUSE(FOR COMBUSTION HEATER)
main82711-60150
8271160210WIRE, FUSE TO FUSE(FOR COMBUSTION HEATER)
main82711-60210
8271160280WIRE, FUSE TO FUSE(FOR COMBUSTION HEATER)
main82711-60280
8281960040GROMMET, WIRING HARNESS
main82819-60040
9011906005
main90119-06005
9017906153
main90179-06153
9017908146
main90179-08146
9165140814
main91651-40814
9165161016
main91651-61016
14 parts on this diagram · 11 diagrams in section