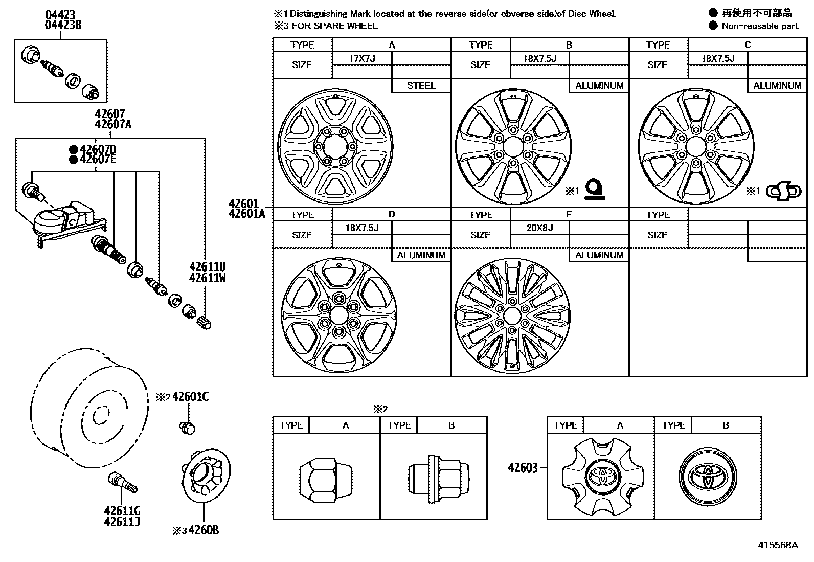
DISC WHEEL & WHEEL CAP

04423FITTING KIT, TIRE PRESSURE MONITOR OR BALANCER VALVE
main04423-33060iVJA300..5S..S;VJA300..S..GCC;FJA300..5S..S..GEN;FJA300,GRJ300..EUR,GCC;VJA300..(A,G,V,Z)..(EUR,GCC)202104-202411
TIRE INFLATION PRESSURE WARNING-WITH(434MHZ)
main04423-33060iVJA300..5S..S;VJA300..S..GCC;FJA300..5S..S..GEN;FJA300,GRJ300..EUR,GCC;VJA300..(A,G,V,Z)..(EUR,GCC)202107-202411
INDIA SPEC&TIRE INFLATION PRESSURE WARNING-WITH(434MHZ)
TIRE & DISC WHEEL-245/75R17, 7J, STEEL&TIRE INFLATION PRESSURE WARNING-WITH(434MHZ)
NEW ZEALAND SPEC&TIRE & DISC WHEEL-265/55R20, 8J, ALUMINUM&TIRE INFLATION PRESSUREWARNING-WITH(434MHZ)
TIRE & DISC WHEEL-265/55R20, 8J, ALUMINUM&TIRE INFLATION PRESSURE WARNING-WITH(434MHZ)
INDONESIA SPEC&TIRE INFLATION PRESSURE WARNING-WITH(434MHZ)
INDONESIA SPEC&TIRE & DISC WHEEL-265/55R20, 8J, ALUMINUM&TIRE INFLATION PRESSURE WARNING-WITH(434MHZ)
04423BFITTING KIT, TIRE PRESSURE MONITOR OR BALANCER VALVE(SPARE)
TIRE INFLATION PRESSURE WARNING-WITH(434MHZ)
TIRE & DISC WHEEL-245/75R17, 7J, STEEL
TIRE & DISC WHEEL-245/75R17, 7J, STEEL&TIRE INFLATION PRESSURE WARNING-WITH(434MHZ)
NEW ZEALAND SPEC&TIRE & DISC WHEEL-265/55R20, 8J, ALUMINUM&TIRE INFLATION PRESSUREWARNING-WITH(434MHZ)
INDONESIA SPEC&TIRE & DISC WHEEL-265/55R20, 8J, ALUMINUM&TIRE INFLATION PRESSURE WARNING-WITH(434MHZ)
INDONESIA SPEC&TIRE INFLATION PRESSURE WARNING-WITH(434MHZ)
main04423-33060iVJA300..5S..S;VJA300..S..GCC;FJA300,GRJ300..EUR,GCC;VJA300..(A,G,V,Z)..(EUR,GCC)202104-202411
TIRE & DISC WHEEL-265/55R20, 8J, ALUMINUM&TIRE INFLATION PRESSURE WARNING-WITH(434MHZ)
INDIA SPEC&TIRE INFLATION PRESSURE WARNING-WITH(434MHZ)
42601WHEEL, DISC
17X7J, #,TIRE & DISC WHEEL-245/75R17, 7J, STEEL&TIRE INFLATION PRESSURE WARNING-WITHOUT,TYPE A:REFER ILLUST.
17X7J, #,TYPE A:REFER ILLUST.
17X7J, #,TIRE & DISC WHEEL-245/75R17, 7J, STEEL,TYPE A:REFER ILLUST.
17X7J, #,TIRE & DISC WHEEL-245/75R17, 7J, STEEL&TIRE INFLATION PRESSURE WARNING-WITH(434MHZ),TYPE A:REFER ILLUST.
18X7.5J,#,TYPE C:REFER ILLUST.
18X7.5J,#,TYPE B:REFER ILLUST.
18X7.5J,#,TYPE B:REFER ILLUST.
18X7.5J,#,TAJIKISTAN, TURKMENISTAN SPEC&TIRE & DISC WHEEL-265/65R18, 7.5J, ALUMINUM(FOR GR SPORT)&TIRE INFLATION PRESSURE WARNING-WITHOUT,TYPE D:REFER ILLUST.
18X7.5J,#,TIRE & DISC WHEEL-265/65R18, 7.5J, ALUMINUM(FOR GR SPORT),TYPE D:REFER ILLUST.
18X7.5J,#,AZER, GEORGIA SPEC&TIRE & DISC WHEEL-265/65R18, 7.5J, ALUMINUM(FOR GR SPORT)&TIRE INFLATION PRESSURE WARNING-WITHOUT,TYPE D:REFER ILLUST.
18X7.5J,#,AZERBAIJAN, GEORGEA SPEC&TIRE & DISC WHEEL-265/65R18, 7.5J, ALUMINUM(FORGR SPORT)&TIRE INFLATION PRESSURE WARNING-WITHOUT,TYPE D:REFER ILLUST.
18X7.5J,#,TYPE D:REFER ILLUST.
18X7.5J, #,TYPE C:REFER ILLUST.
18X7.5J, #,TYPE B:REFER ILLUST.
20X8J, #,TAJIKISTAN, TURKMENISTAN SPEC&TIRE & DISC WHEEL-265/55R20, 8J, ALUMINUM&TIRE INFLATION PRESSURE WARNING-WITHOUT,TYPE E:REFER ILLUST.
20X8J, #,TIRE & DISC WHEEL-265/55R20, 8J, ALUMINUM,TYPE E:REFER ILLUST.
20X8J, #,TIRE & DISC WHEEL-265/55R20, 8J, ALUMINUM&TIRE INFLATION PRESSURE WARNING-WITH(434MHZ),TYPE E:REFER ILLUST.
20X8J, #,TIRE & DISC WHEEL-265/55R20, 8J, ALUMINUM&TIRE INFLATION PRESSURE WARNING-WITHOUT,TYPE E:REFER ILLUST.
20X8J, #,TYPE E:REFER ILLUST.
20X8J, #,NEW ZEALAND SPEC&TIRE & DISC WHEEL-265/55R20, 8J, ALUMINUM,TYPE E:REFER ILLUST.
20X8J, #,NEW ZEALAND SPEC&TIRE & DISC WHEEL-265/55R20, 8J, ALUMINUM&TIRE INFLATIONPRESSURE WARNING-WITH(434MHZ),TYPE E:REFER ILLUST.
20X8J, #,VIETNAM SPEC&TIRE & DISC WHEEL-265/55R20, 8J, ALUMINUM&TIRE INFLATION PRESSURE WARNING-WITHOUT,TYPE E:REFER ILLUST.
20X8J, #,AZERBAIJAN, GEORGEA SPEC&TIRE & DISC WHEEL-265/55R20, 8J, ALUMINUM&TIRE INFLATION PRESSURE WARNING-WITHOUT,TYPE E:REFER ILLUST.
20X8J, #,INDONESIA SPEC&TIRE & DISC WHEEL-265/55R20, 8J, ALUMINUM,TYPE E:REFER ILLUST.
20X8J, #,INDONESIA SPEC&TIRE & DISC WHEEL-265/55R20, 8J, ALUMINUM&TIRE INFLATION PRESSURE WARNING-WITH(434MHZ),TYPE E:REFER ILLUST.
20X8J, #,AZER, GEORGIA SPEC&TIRE & DISC WHEEL-265/55R20, 8J, ALUMINUM&TIRE INFLATION PRESSURE WARNING-WITHOUT,TYPE E:REFER ILLUST.
42601AWHEEL, DISC (FOR SPARE)
17X7J, #,TIRE & DISC WHEEL-245/75R17, 7J, STEEL&TIRE INFLATION PRESSURE WARNING-WITHOUT,TYPE A:REFER ILLUST.
17X7J, #,TYPE A:REFER ILLUST.
17X7J, #,TIRE & DISC WHEEL-245/75R17, 7J, STEEL&TIRE INFLATION PRESSURE WARNING-WITH(434MHZ),TYPE A:REFER ILLUST.
17X7J, #,TIRE & DISC WHEEL-245/75R17, 7J, STEEL,TYPE A:REFER ILLUST.
18X7.5J,#,TYPE C:REFER ILLUST.
18X7.5J,#,TYPE B:REFER ILLUST.
18X7.5J,#,TYPE B:REFER ILLUST.
18X7.5J,#,TYPE D:REFER ILLUST.
18X7.5J,#,TIRE & DISC WHEEL-265/65R18, 7.5J, ALUMINUM(FOR GR SPORT),TYPE D:REFER ILLUST.
18X7.5J,#,TAJIKISTAN, TURKMENISTAN SPEC&TIRE & DISC WHEEL-265/65R18, 7.5J, ALUMINUM(FOR GR SPORT)&TIRE INFLATION PRESSURE WARNING-WITHOUT,TYPE D:REFER ILLUST.
18X7.5J,#,AZER, GEORGIA SPEC&TIRE & DISC WHEEL-265/65R18, 7.5J, ALUMINUM(FOR GR SPORT)&TIRE INFLATION PRESSURE WARNING-WITHOUT,TYPE D:REFER ILLUST.
18X7.5J,#,AZERBAIJAN, GEORGEA SPEC&TIRE & DISC WHEEL-265/65R18, 7.5J, ALUMINUM(FORGR SPORT)&TIRE INFLATION PRESSURE WARNING-WITHOUT,TYPE D:REFER ILLUST.
18X7.5J, #,TYPE C:REFER ILLUST.
18X7.5J, #,TYPE B:REFER ILLUST.
20X8J, #,TIRE & DISC WHEEL-265/55R20, 8J, ALUMINUM&TIRE INFLATION PRESSURE WARNING-WITHOUT,TYPE E:REFER ILLUST.
20X8J, #,TYPE E:REFER ILLUST.
20X8J, #,VIETNAM SPEC&TIRE & DISC WHEEL-265/55R20, 8J, ALUMINUM&TIRE INFLATION PRESSURE WARNING-WITHOUT,TYPE E:REFER ILLUST.
20X8J, #,AZER, GEORGIA SPEC&TIRE & DISC WHEEL-265/55R20, 8J, ALUMINUM&TIRE INFLATION PRESSURE WARNING-WITHOUT,TYPE E:REFER ILLUST.
20X8J, #,TAJIKISTAN, TURKMENISTAN SPEC&TIRE & DISC WHEEL-265/55R20, 8J, ALUMINUM&TIRE INFLATION PRESSURE WARNING-WITHOUT,TYPE E:REFER ILLUST.
20X8J, #,TIRE & DISC WHEEL-265/55R20, 8J, ALUMINUM,TYPE E:REFER ILLUST.
20X8J, #,TIRE & DISC WHEEL-265/55R20, 8J, ALUMINUM&TIRE INFLATION PRESSURE WARNING-WITH(434MHZ),TYPE E:REFER ILLUST.
20X8J, #,NEW ZEALAND SPEC&TIRE & DISC WHEEL-265/55R20, 8J, ALUMINUM,TYPE E:REFER ILLUST.
20X8J, #,NEW ZEALAND SPEC&TIRE & DISC WHEEL-265/55R20, 8J, ALUMINUM&TIRE INFLATIONPRESSURE WARNING-WITH(434MHZ),TYPE E:REFER ILLUST.
20X8J, #,AZERBAIJAN, GEORGEA SPEC&TIRE & DISC WHEEL-265/55R20, 8J, ALUMINUM&TIRE INFLATION PRESSURE WARNING-WITHOUT,TYPE E:REFER ILLUST.
20X8J, #,INDONESIA SPEC&TIRE & DISC WHEEL-265/55R20, 8J, ALUMINUM,TYPE E:REFER ILLUST.
20X8J, #,INDONESIA SPEC&TIRE & DISC WHEEL-265/55R20, 8J, ALUMINUM&TIRE INFLATION PRESSURE WARNING-WITH(434MHZ),TYPE E:REFER ILLUST.
42601CNUT, HUB (FOR AXLE)
TYPE B:REFER ILLUST.
TYPE B:REFER ILLUST.
TIRE & DISC WHEEL-265/65R18, 7.5J, ALUMINUM(FOR GR SPORT),TYPE B:REFER ILLUST.
TIRE & DISC WHEEL-245/75R17, 7J, STEEL,TYPE A:REFER ILLUST.
TYPE A:REFER ILLUST.
42603ORNAMENT SUB-ASSY, WHEEL HUB
*ALU,TYPE B:REFER ILLUST.
*STE,TIRE & DISC WHEEL-245/75R17, 7J, STEEL,TYPE A:REFER ILLUST.
*STE,TYPE A:REFER ILLUST.
42607VALVE SUB-ASSY, TIRE PRESSURE MONITOR
main42607-12020iVJA300..RHD..(S,Z);FJA300..RHD..A..GEN;FJA300..RHD..(S,V,Z);FJA300,VJA300..LHD..7S..(A,S,V,Z)..GEN202104-202411
TIRE INFLATION PRESSURE WARNING-WITH(434MHZ)
NEW ZEALAND SPEC&TIRE & DISC WHEEL-265/55R20, 8J, ALUMINUM&TIRE INFLATION PRESSUREWARNING-WITH(434MHZ)
INDIA SPEC&TIRE INFLATION PRESSURE WARNING-WITH(434MHZ)
TIRE & DISC WHEEL-245/75R17, 7J, STEEL&TIRE INFLATION PRESSURE WARNING-WITH(434MHZ)
TIRE & DISC WHEEL-265/55R20, 8J, ALUMINUM&TIRE INFLATION PRESSURE WARNING-WITH(434MHZ)
INDONESIA SPEC&TIRE INFLATION PRESSURE WARNING-WITH(434MHZ)
INDONESIA SPEC&TIRE & DISC WHEEL-265/55R20, 8J, ALUMINUM&TIRE INFLATION PRESSURE WARNING-WITH(434MHZ)
42607AVALVE SUB-ASSY, TIRE PRESSURE MONITOR (FOR SPARE)
main42607-12020iVJA300..GEN;FJA300..Z..ARL;FJA300..7S..(A,Z)..GEN;FJA300..(S,V)..(ARL,GEN)202104-202411
TIRE & DISC WHEEL-265/55R20, 8J, ALUMINUM&TIRE INFLATION PRESSURE WARNING-WITH(434MHZ)
main42607-12020iVJA300..5S..S;VJA300..S..GCC;FJA300..5S..S..GEN;FJA300,GRJ300..EUR,GCC;VJA300..(A,G,V,Z)..(EUR,GCC)202107-202411
NEW ZEALAND SPEC&TIRE & DISC WHEEL-265/55R20, 8J, ALUMINUM&TIRE INFLATION PRESSUREWARNING-WITH(434MHZ)
main42607-12020iVJA300..5S..S;VJA300..S..GCC;FJA300..5S..S..GEN;FJA300,GRJ300..EUR,GCC;VJA300..(A,G,V,Z)..(EUR,GCC)202107-202411
INDIA SPEC&TIRE INFLATION PRESSURE WARNING-WITH(434MHZ)
main42607-12020iVJA300..5S..S;VJA300..S..GCC;FJA300..5S..S..GEN;FJA300,GRJ300..EUR,GCC;VJA300..(A,G,V,Z)..(EUR,GCC)202107-202411
TIRE & DISC WHEEL-245/75R17, 7J, STEEL&TIRE INFLATION PRESSURE WARNING-WITH(434MHZ)
main42607-12020iVJA300..5S..S;VJA300..S..GCC;FJA300..5S..S..GEN;FJA300,GRJ300..EUR,GCC;VJA300..(A,G,V,Z)..(EUR,GCC)202104-202411
TIRE INFLATION PRESSURE WARNING-WITH(434MHZ)
INDONESIA SPEC&TIRE INFLATION PRESSURE WARNING-WITH(434MHZ)
INDONESIA SPEC&TIRE & DISC WHEEL-265/55R20, 8J, ALUMINUM&TIRE INFLATION PRESSURE WARNING-WITH(434MHZ)
42607DVALVE, TIRE PRESSURE MONITOR
main90942-05044iVJA300..5S..S;VJA300..S..GCC;FJA300..5S..S..GEN;FJA300,GRJ300..EUR,GCC;VJA300..(A,G,V,Z)..(EUR,GCC)202107-202411
NEW ZEALAND SPEC&TIRE & DISC WHEEL-265/55R20, 8J, ALUMINUM&TIRE INFLATION PRESSUREWARNING-WITH(434MHZ)
main90942-05044iVJA300..5S..S;VJA300..S..GCC;FJA300..5S..S..GEN;FJA300,GRJ300..EUR,GCC;VJA300..(A,G,V,Z)..(EUR,GCC)202107-202411
INDIA SPEC&TIRE INFLATION PRESSURE WARNING-WITH(434MHZ)
main90942-05044iVJA300..5S..S;VJA300..S..GCC;FJA300..5S..S..GEN;FJA300,GRJ300..EUR,GCC;VJA300..(A,G,V,Z)..(EUR,GCC)202107-202411
TIRE & DISC WHEEL-245/75R17, 7J, STEEL&TIRE INFLATION PRESSURE WARNING-WITH(434MHZ)
main90942-05044iVJA300..5S..S;VJA300..S..GCC;FJA300..5S..S..GEN;FJA300,GRJ300..EUR,GCC;VJA300..(A,G,V,Z)..(EUR,GCC)202104-202411
TIRE & DISC WHEEL-265/55R20, 8J, ALUMINUM&TIRE INFLATION PRESSURE WARNING-WITH(434MHZ)
main90942-05044iVJA300..5S..S;VJA300..S..GCC;FJA300..5S..S..GEN;FJA300,GRJ300..EUR,GCC;VJA300..(A,G,V,Z)..(EUR,GCC)202104-202411
TIRE INFLATION PRESSURE WARNING-WITH(434MHZ)
INDONESIA SPEC&TIRE INFLATION PRESSURE WARNING-WITH(434MHZ)
INDONESIA SPEC&TIRE & DISC WHEEL-265/55R20, 8J, ALUMINUM&TIRE INFLATION PRESSURE WARNING-WITH(434MHZ)
42607EVALVE, TIRE PRESSURE MONITOR (FOR SPARE)
INDIA SPEC&TIRE INFLATION PRESSURE WARNING-WITH(434MHZ)
TIRE & DISC WHEEL-245/75R17, 7J, STEEL&TIRE INFLATION PRESSURE WARNING-WITH(434MHZ)
TIRE & DISC WHEEL-265/55R20, 8J, ALUMINUM&TIRE INFLATION PRESSURE WARNING-WITH(434MHZ)
TIRE INFLATION PRESSURE WARNING-WITH(434MHZ)
NEW ZEALAND SPEC&TIRE & DISC WHEEL-265/55R20, 8J, ALUMINUM&TIRE INFLATION PRESSUREWARNING-WITH(434MHZ)
INDONESIA SPEC&TIRE INFLATION PRESSURE WARNING-WITH(434MHZ)
INDONESIA SPEC&TIRE & DISC WHEEL-265/55R20, 8J, ALUMINUM&TIRE INFLATION PRESSURE WARNING-WITH(434MHZ)
4260BCOVER SUB-ASSY, WHEEL HUB
main4260B-60520iGRJ300..A,V;VJA300..5S..S;VJA300..A,G,V,Z;FJA300..7S..GEN;FJA300..5S..S..GEN;FJA300..ARL,EUR,GCC;VJA300..S..(GCC,GEN)202104-202411
42611GVALVE (FOR TUBELESS TIRE)
VIETNAM SPEC&TIRE INFLATION PRESSURE WARNING-WITHOUT
VIETNAM SPEC&TIRE & DISC WHEEL-265/55R20, 8J, ALUMINUM&TIRE INFLATION PRESSURE WARNING-WITHOUT
NIGERIA SPEC&TIRE INFLATION PRESSURE WARNING-WITHOUT
AZERBAIJAN, GEORGEA SPEC&TIRE & DISC WHEEL-265/55R20, 8J, ALUMINUM&TIRE INFLATIONPRESSURE WARNING-WITHOUT
AZERBAIJAN, GEORGEA SPEC&TIRE & DISC WHEEL-265/65R18, 7.5J, ALUMINUM(FOR GR SPORT)&TIRE INFLATION PRESSURE WARNING-WITHOUT
AZERBAIJAN, GEORGEA SPEC&TIRE INFLATION PRESSURE WARNING-WITHOUT
TAJIKISTAN, TURKMENISTAN SPEC&TIRE & DISC WHEEL-265/55R20, 8J, ALUMINUM&TIRE INFLATION PRESSURE WARNING-WITHOUT
TAJIKISTAN, TURKMENISTAN SPEC&TIRE & DISC WHEEL-265/65R18, 7.5J, ALUMINUM(FOR GR SPORT)&TIRE INFLATION PRESSURE WARNING-WITHOUT
TAJIKISTAN, TURKMENISTAN SPEC&TIRE INFLATION PRESSURE WARNING-WITHOUT
TIRE & DISC WHEEL-245/75R17, 7J, STEEL&TIRE INFLATION PRESSURE WARNING-WITHOUT
TIRE & DISC WHEEL-265/55R20, 8J, ALUMINUM&TIRE INFLATION PRESSURE WARNING-WITHOUT
TIRE INFLATION PRESSURE WARNING-WITHOUT
main90942-05009iVJA300..GEN;FJA300..Z..ARL;FJA300..7S..Z..GEN;FJA300..(A,G,S,V)..(ARL,GEN)202104-202411
AZER, GEORGIA SPEC&TIRE & DISC WHEEL-265/55R20, 8J, ALUMINUM&TIRE INFLATION PRESSURE WARNING-WITHOUT
main90942-05009iVJA300..GEN;FJA300..Z..ARL;FJA300..7S..Z..GEN;FJA300..(A,G,S,V)..(ARL,GEN)202104-202411
AZER, GEORGIA SPEC&TIRE & DISC WHEEL-265/65R18, 7.5J, ALUMINUM(FOR GR SPORT)&TIREINFLATION PRESSURE WARNING-WITHOUT
main90942-05009iVJA300..GEN;FJA300..Z..ARL;FJA300..7S..Z..GEN;FJA300..(A,G,S,V)..(ARL,GEN)202104-202411
AZER, GEORGIA SPEC&TIRE INFLATION PRESSURE WARNING-WITHOUT
42611JVALVE (FOR TUBELESS TIRE SPARE)
AZER, GEORGIA SPEC&TIRE INFLATION PRESSURE WARNING-WITHOUT
TAJIKISTAN, TURKMENISTAN SPEC&TIRE & DISC WHEEL-265/55R20, 8J, ALUMINUM&TIRE INFLATION PRESSURE WARNING-WITHOUT
TAJIKISTAN, TURKMENISTAN SPEC&TIRE & DISC WHEEL-265/65R18, 7.5J, ALUMINUM(FOR GR SPORT)&TIRE INFLATION PRESSURE WARNING-WITHOUT
TAJIKISTAN, TURKMENISTAN SPEC&TIRE INFLATION PRESSURE WARNING-WITHOUT
TIRE & DISC WHEEL-245/75R17, 7J, STEEL&TIRE INFLATION PRESSURE WARNING-WITHOUT
TIRE & DISC WHEEL-265/55R20, 8J, ALUMINUM&TIRE INFLATION PRESSURE WARNING-WITHOUT
TIRE INFLATION PRESSURE WARNING-WITHOUT
VIETNAM SPEC&TIRE & DISC WHEEL-265/55R20, 8J, ALUMINUM&TIRE INFLATION PRESSURE WARNING-WITHOUT
VIETNAM SPEC&TIRE INFLATION PRESSURE WARNING-WITHOUT
AZER, GEORGIA SPEC&TIRE & DISC WHEEL-265/55R20, 8J, ALUMINUM&TIRE INFLATION PRESSURE WARNING-WITHOUT
AZER, GEORGIA SPEC&TIRE & DISC WHEEL-265/65R18, 7.5J, ALUMINUM(FOR GR SPORT)&TIREINFLATION PRESSURE WARNING-WITHOUT
NIGERIA SPEC&TIRE INFLATION PRESSURE WARNING-WITHOUT
AZERBAIJAN, GEORGEA SPEC&TIRE & DISC WHEEL-265/55R20, 8J, ALUMINUM&TIRE INFLATIONPRESSURE WARNING-WITHOUT
AZERBAIJAN, GEORGEA SPEC&TIRE & DISC WHEEL-265/65R18, 7.5J, ALUMINUM(FOR GR SPORT)&TIRE INFLATION PRESSURE WARNING-WITHOUT
AZERBAIJAN, GEORGEA SPEC&TIRE INFLATION PRESSURE WARNING-WITHOUT
42611UCAP, TIRE VALVE
main90942-05039iVJA300..5S..S;VJA300..S..GCC;FJA300..5S..S..GEN;FJA300,GRJ300..EUR,GCC;VJA300..(A,G,V,Z)..(EUR,GCC)202107-202411
NEW ZEALAND SPEC&TIRE & DISC WHEEL-265/55R20, 8J, ALUMINUM&TIRE INFLATION PRESSUREWARNING-WITH(434MHZ)
main90942-05039iVJA300..5S..S;VJA300..S..GCC;FJA300..5S..S..GEN;FJA300,GRJ300..EUR,GCC;VJA300..(A,G,V,Z)..(EUR,GCC)202107-202411
INDIA SPEC&TIRE INFLATION PRESSURE WARNING-WITH(434MHZ)
main90942-05039iVJA300..5S..S;VJA300..S..GCC;FJA300..5S..S..GEN;FJA300,GRJ300..EUR,GCC;VJA300..(A,G,V,Z)..(EUR,GCC)202107-202411
TIRE & DISC WHEEL-245/75R17, 7J, STEEL&TIRE INFLATION PRESSURE WARNING-WITH(434MHZ)
main90942-05039iVJA300..5S..S;VJA300..S..GCC;FJA300..5S..S..GEN;FJA300,GRJ300..EUR,GCC;VJA300..(A,G,V,Z)..(EUR,GCC)202104-202411
TIRE & DISC WHEEL-265/55R20, 8J, ALUMINUM&TIRE INFLATION PRESSURE WARNING-WITH(434MHZ)
main90942-05039iVJA300..5S..S;VJA300..S..GCC;FJA300..5S..S..GEN;FJA300,GRJ300..EUR,GCC;VJA300..(A,G,V,Z)..(EUR,GCC)202104-202411
TIRE INFLATION PRESSURE WARNING-WITH(434MHZ)
INDONESIA SPEC&TIRE INFLATION PRESSURE WARNING-WITH(434MHZ)
INDONESIA SPEC&TIRE & DISC WHEEL-265/55R20, 8J, ALUMINUM&TIRE INFLATION PRESSURE WARNING-WITH(434MHZ)
42611WCAP, TIRE VALVE (FOR SPARE)
main90942-05039iVJA300..5S..S;VJA300..S..GCC;FJA300..5S..S..GEN;FJA300,GRJ300..EUR,GCC;VJA300..(A,G,V,Z)..(EUR,GCC)202107-202411
NEW ZEALAND SPEC&TIRE & DISC WHEEL-265/55R20, 8J, ALUMINUM&TIRE INFLATION PRESSUREWARNING-WITH(434MHZ)
main90942-05039iVJA300..5S..S;VJA300..S..GCC;FJA300..5S..S..GEN;FJA300,GRJ300..EUR,GCC;VJA300..(A,G,V,Z)..(EUR,GCC)202107-202411
INDIA SPEC&TIRE INFLATION PRESSURE WARNING-WITH(434MHZ)
main90942-05039iVJA300..5S..S;VJA300..S..GCC;FJA300..5S..S..GEN;FJA300,GRJ300..EUR,GCC;VJA300..(A,G,V,Z)..(EUR,GCC)202107-202411
TIRE & DISC WHEEL-245/75R17, 7J, STEEL&TIRE INFLATION PRESSURE WARNING-WITH(434MHZ)
main90942-05039iVJA300..5S..S;VJA300..S..GCC;FJA300..5S..S..GEN;FJA300,GRJ300..EUR,GCC;VJA300..(A,G,V,Z)..(EUR,GCC)202104-202411
TIRE & DISC WHEEL-265/55R20, 8J, ALUMINUM&TIRE INFLATION PRESSURE WARNING-WITH(434MHZ)
main90942-05039iVJA300..5S..S;VJA300..S..GCC;FJA300..5S..S..GEN;FJA300,GRJ300..EUR,GCC;VJA300..(A,G,V,Z)..(EUR,GCC)202104-202411
TIRE INFLATION PRESSURE WARNING-WITH(434MHZ)
INDONESIA SPEC&TIRE INFLATION PRESSURE WARNING-WITH(434MHZ)
INDONESIA SPEC&TIRE & DISC WHEEL-265/55R20, 8J, ALUMINUM&TIRE INFLATION PRESSURE WARNING-WITH(434MHZ)
15 parts on this diagram · 2 diagrams in section