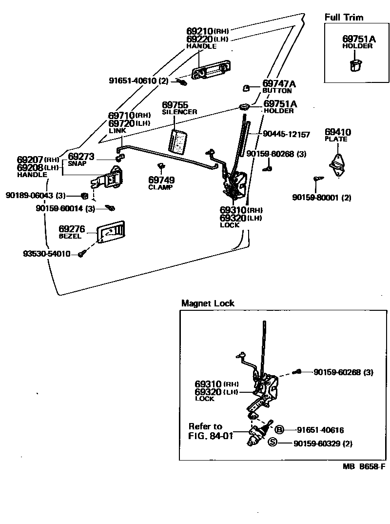
FRONT DOOR LOCK & HANDLE

69207HANDLE SUB-ASSY, FRONT DOOR INSIDE, RH
69208HANDLE SUB-ASSY, FRONT DOOR INSIDE, LH
69210HANDLE ASSY, FRONT DOOR, OUTSIDE RH
69220HANDLE ASSY, FRONT DOOR OUTSIDE, LH
69273SNAP, DOOR INSIDE HANDLE ROD
69276BEZEL, FRONT DOOR INSIDE HANDLE
DARK BROWN,BROWN,TRIM4#
SHADOW GRAY,GRAY,TRIM1#
SEPIA BROWN,SEPIA BROWN,TRIM4#
69310LOCK ASSY, FRONT DOOR, RH
MAGNET LOCK
69320LOCK ASSY, FRONT DOOR, LH
MAGNET LOCK
69410PLATE ASSY, FRONT DOOR LOCK STRIKER
69710LINK ASSY, FRONT DOOR OPEN CONTROL, RH
69720LINK ASSY, FRONT DOOR OPEN CONTROL, LH
69747ABUTTON, DOOR LOCKING(FOR FRONT DOOR)
SHADOW GRAY,GRAY,TRIM1#
DARK BROWN,BROWN,TRIM4#
SHADOW GRAY,SHADOW GRAY,TRIM1#
SEPIA BROWN,SEPIA BROWN,TRIM4#
69749CLAMP, FRONT DOOR LOCK LINK
69751AHOLDER, DOOR LOCKING(FOR FRONT DOOR)
SEMI TRIM,SEPIA BROWN,SEPIA BROWN,TRIM4#
FULL TRIM
FULL TRIM
69755SILENCER, FRONT DOOR LOCK LINK
8401
9015960014
9015960268
9015960329
9015980001
9018906043
9044512157
9165140610
9165140616
9353054010
25 parts on this diagram · 1 diagram in section