E
EPC Data

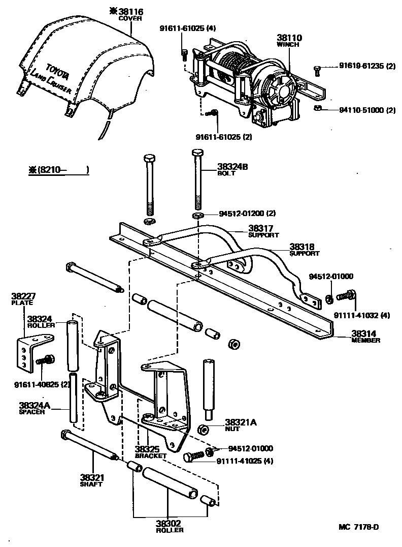
WINCH

Parts diagram
38110WINCH ASSY
main38110-60060i198008-198210
MECHANICAL
main38110-60062i¥264,000198210-198708
MECHANICAL
main38110-60070i¥332,000198008-198302
12V,ELECTRIC
sub38110-60071¥332,000
main38110-60071i¥332,000198302-198411
12V,ELECTRIC
sub38110-60072¥334,000
main38110-60072i¥334,000198411-198708
12V,ELECTRIC
main38110-60080i¥332,000198008-198302
24V,ELECTRIC
sub38110-60081¥332,000
main38110-60081i¥332,000198302-198411
24V,ELECTRIC
sub38110-60082¥334,000
main38110-60082i¥334,000198411-198708
24V,ELECTRIC
38116COVER, WINCH
main38116-60010i¥24,800198008-198210
ELECTRIC
main38286-60010i¥32,100198210-198708
ELECTRIC
main38286-60020i¥32,100198210-198708
MECHANICAL
38227PLATE, WINCH CLUTCH LEVER SHIFT LOCK
main38227-60030i¥4,600198008-198708
38302ROLLER SUB-ASSY, WINCH WIRE GUIDE
main38302-60010i¥5,300198303-198708
MECHANICAL
main38302-60010i¥5,300198008-198303
main38323-60040i¥6,400198303-198708
ELECTRIC
38314MEMBER, REAR BASE
main38314-60060i¥15,700198008-198708
38317SUPPORT, ROLLER BRACKET, NO.1
main38317-60020i¥9,900198008-198708
38318SUPPORT, ROLLER BRACKET, NO.2
main38318-60020i¥9,900198008-198708
38321SHAFT, WINCH ROLLER
main38321-60010i¥2,910198008-198708
38321ANUT, HEXAGON (FOR WINCH ROLLER SHAFT)
main90170-14057i¥230198008-198708
38324ROLLER, WINCH WIRE GUIDE, NO.2
main38324-60010i¥2,960198008-198708
MECHANICAL
main38324-60040i¥3,090198008-198708
ELECTRIC
38324ASPACER, WINCH WIRE GUIDE ROLLER
main90560-13080i¥740198008-198708
38324BBOLT, HEXAGON (FOR WINCH WIRE GUIDE ROLLER)
main90101-12284i¥910198008-198708
38325BRACKET, WINCH ROLLER, NO.1
main38325-60050i¥43,700198008-198708
MECHANICAL
main38325-60070i¥25,100198008-198708
ELECTRIC
9111141025
main91111-41025¥210
9111141032
main91111-41032¥230
9161140825
main91611-40825¥160
9161161025
main91611-61025¥240
9161961235
main91619-61235¥130
9411051000
main94110-51000¥130
9451201000
main94512-01000¥90
9451201200
main94512-01200¥100

21 parts on this diagram · 7 diagrams in section

WINCH — Toyota Parts Diagram with OEM Numbers & Prices | EPC Data