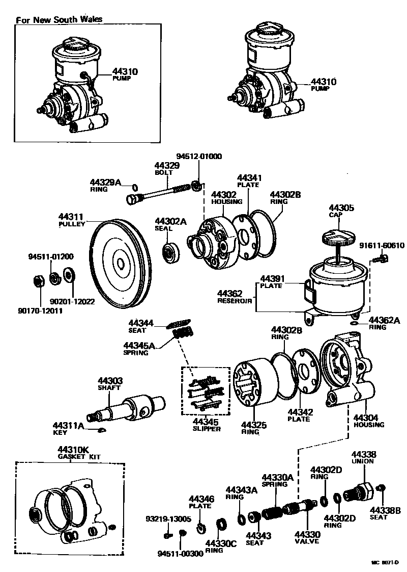
VANE PUMP & RESERVOIR (POWER STEERING)

44302HOUSING SUB-ASSY, VANE PUMP, FRONT
44302ASEAL, OIL, NO.1(FOR VANE PUMP HOUSING)
44302BRING, O, NO.1(FOR VANE PUMP HOUSING)
44302DRING, O, NO.3(FOR VANE PUMP HOUSING)
sub96711-19014
44303SHAFT SUB-ASSY, W/ROTOR
L=39.9750-39.9775
L=39.9725-39.9750
44304HOUSING SUB-ASSY, VANE PUMP, REAR
44305CAP SUB-ASSY, VANE PUMP OIL RESERVOIR
sub44305-22040
44310PUMP ASSY, VANE
NEW SOUTH WALES SPEC.
44310KGASKET KIT, POWER STEERING PUMP
44311PULLEY, VANE PUMP
44311AKEY, VANE PUMP PULLEY
44325RING, FIXED(FOR VANE PUMP)
MARK 1,L=39.9950-39.9975
MARK 2,L=39.9975-40.0000
44329BOLT, VANE PUMP FRONT HOUSING & REAR HOUSING SET
L=76.5
L=78.5
44329ARING, O(FOR VANE PUMP HOUSING SET BOLT)
sub96711-19007
44330VALVE ASSY, FLOW CONTROL
MARK A
MARK B
MARK C
MARK D
MARK E
MARK F
44330ASPRING, COMPRESSION(FOR FLOW CONTROL VALVE)
44330CRING, SNAP(FOR FLOW CONTROL VALVE)
44338UNION, PRESSURE PORT
44338BSEAT, UNION(FOR PRESSURE PORT UNION)
44341PLATE, VANE PUMP SIDE, FRONT
44342PLATE, VANE PUMP SIDE, REAR
44343SEAT, FLOW CONTROL SPRING
44343ARING, O(FOR FLOW CONTROL SPRING SEAT)
sub96711-19014
44344SEAT, SPRING(FOR VANE PUMP)
44345SLIPPER, VANE PUMP
NO MARK,L=39.942-39.937
NO MARK,L=39.937-39.932
44345ASPRING, COMPRESSION(FOR VANE PUMP SLIPPER)
44346PLATE, SNAP RING LOCK
44362RESERVOIR, OIL(FOR VANE PUMP)
NEW SOUTH WALES SPEC.
44362ARING, O(FOR VANE PUMP OIL RESERVOIR)
sub96711-19013
44391PLATE, POWER STEERING OIL RESERVOIR CAUTION
9017012011
main90170-12011
9020112022
main90201-12022
9161160610
main91611-60610
9321913005
main93219-13005
9451100300
main94511-00300
9451101200
main94511-01200
9451201000
main94512-01000
37 parts on this diagram · 1 diagram in section