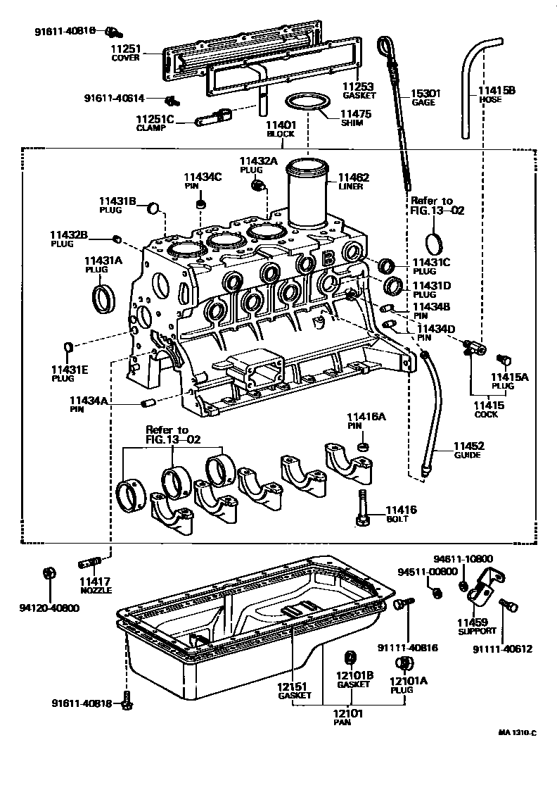
CYLINDER BLOCK

11251CCLAMP(FOR VALVE PUSH ROD COVER)
11253GASKET, VALVE PUSH ROD COVER
11401BLOCK SUB-ASSY, CYLINDER
sub11401-49216
sub11401-49216
sub11401-49217
sub11401-59046
sub11401-60041
sub04114-60010
sub11115-60033
sub11201-60915
sub11203-60010
sub11253-60010
sub11401-60060
sub11409-60020
sub11702-60013
sub12204-51012
sub12224-60061
sub15301-60050
sub17700-60270
sub17700-60305
sub17700-60350
sub17700-60360
sub17851-60022
sub17851-60100
sub78105-55070
sub78109-55060
sub78138-55060
sub78179-55010
sub90445-18580
sub90461-10238
sub90467-18028
sub90467-24038
sub90480-18180
sub90501-08086
sub90910-02056
sub90910-05047
sub91611-40610
sub94110-40600
sub94512-00600
sub94611-10600
sub94613-10600
sub95381-02015
sub11401-60060
sub11115-60033
sub11409-60020
sub11452-60013
sub11702-60013
sub15301-60050
sub78015-55030
sub78105-55070
sub78109-55060
sub90910-02056
sub91611-40610
sub11401-60045
sub12311-61010
sub12311-61020
sub12311-61030
sub12312-61010
sub12315-60071
sub12315-61010
sub90910-02050
sub91619-41225
11415COCK SUB-ASSY, WATER DRAIN(FOR CYLINDER BLOCK)
sub96431-03833
sub96431-03833
sub96431-53828
sub96431-53850
sub96432-53828
11415BHOSE(FOR DRAIN COCK)
11416BOLT(FOR CRANKSHAFT BEARING CAP SET)
12-1.5PX75-22
12-1.25PX75-22
12-1.25PX75-22
12-1.75PX68-26
11416APIN, RING(FOR CRANKSHAFT BEARING CAP SET)
FOR NO.4
FOR NO.1.2.3
FOR NO.1.2.3
11431APLUG, TIGHT, NO.1(FOR CYLINDER BLOCK)
OD=50
OD=51
OD=50
11431BPLUG, TIGHT, NO.2(FOR CYLINDER BLOCK)
OD=24
OD=35
11431CPLUG, TIGHT, NO.3(FOR CYLINDER BLOCK)
OD=25
OD=30
11431DPLUG, TIGHT, NO.4(FOR CYLINDER BLOCK)
OD=26
11431EPLUG, TIGHT, NO.5(FOR CYLINDER BLOCK)
OD=17
OD=21
11432BPLUG, W/HEAD TAPER SCREW, NO.2
11434APIN, STRAIGHT(FOR TIMING GEAR COVER SET)
L=23,OD=8,L=23,OD=8
L=18,OD=8,L=18,OD=8
11434BPIN, STRAIGHT(FOR CLUTCH HOUSING SET)
L=23,OD=8,L=23,OD=8
L=18,OD=8,L=18,OD=8
L=20,OD=10,L=22,OD=10
L=20,OD=10,L=20,OD=10
L=22,OD=10,L=22,OD=10
11434CPIN, STRAIGHT (FOR CYLINDER HEAD SET)
L=12,OD=6,L=12,OD=6
L=7,OD=14.5,L=7,OD=14.5
L=7,OD=16.5,L=16.5,OD=7
11434DPIN, STRAIGHT(FOR ENGINE REAR OIL SEAL)
L=18,OD=8,L=18,OD=8
11459SUPPORT, OIL LEVEL GAGE GUIDE
11475SHIM, CYLINDER LINER
T=0.05
T=0.05
T=0.05
T=0.10
T=0.10
T=0.10
12101PAN SUB-ASSY, OIL
sub12101-60061
sub12101-59046
sub12101-59056
sub12101-59057
sub12101-60062
sub12101-61010
12101APLUG(FOR OIL PAN DRAIN)
OD=25
12101BGASKET(FOR OIL PAN DRAIN PLUG)
1302
9111140612
main91111-40612
9111140816
main91111-40816
9161140614
main91611-40614
9161140816
main91611-40816
9161140818
main91611-40818
9412040800
main94120-40800
9451100800
main94511-00800
9461110800
main94611-10800
39 parts on this diagram · 8 diagrams in section