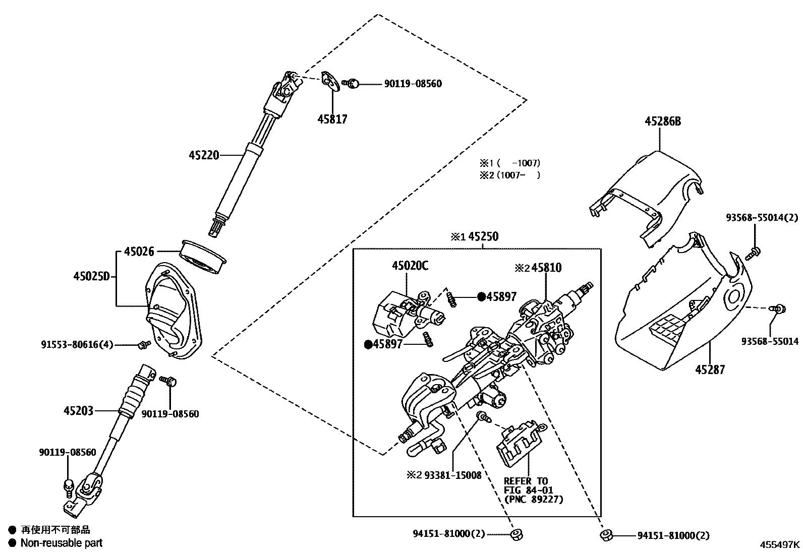
STEERING COLUMN & SHAFT

45020CACTUATOR ASSY, STEERING LOCK(W/ECU)
45220SHAFT ASSY, STEERING INTERMEDIATE
45250COLUMN ASSY, STEERING
45286BCOVER, STEERING COLUMN, UPR
BLACK,TRIM0#,2#,4#
45287COVER, STEERING COLUMN, LWR
BLACK,TRIM0#,2#,4#
45817STOPPER, STEERING SHAFT THRUST
45897BOLT, STEERING LOCK SET
8401
9011908560
main90119-08560
9155380616
main91553-80616
9338115008
main93381-15008
9356855014
main93568-55014
9415181000
main94151-81000
17 parts on this diagram · 2 diagrams in section