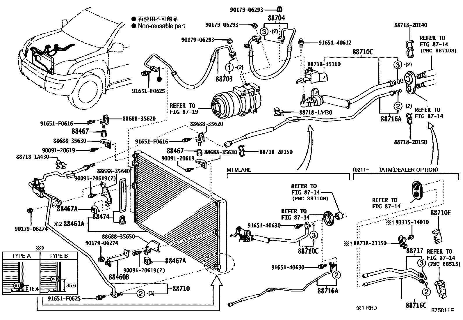
HEATING & AIR CONDITIONING - COOLER PIPING

8714
8719
88460BBRACKET, COOLER CONDENSER, NO.1
88461ACORE, COOLER CONDENSER
88467ACUSHION, COOLER CONDENSER, NO.2
88474DRYER, COOLER
main88474-17010
88710TUBE ASSY, AIR CONDITIONER
main88707-35010
main88707-35020
main88707-35040
main88717-6B050
main88710-6B120
main88707-60180
main88710-6B230
main88710-6B380
main88710-35540
main88710-35640
main88710-6A770
88710CTUBE ASSY, AIR CONDITIONER
88710ETUBE & ACCESSORY ASSY, AIR CONDITIONER
88716APIPE, COOLER REFRIGERANT LIQUID, A
88716CPIPE, COOLER REFRIGERANT LIQUID, C
8868835620BRACKET, COOLER DIAPHRAGM
main88688-35620
8868835630BRACKET, COOLER DIAPHRAGM
main88688-35630
8868835640BRACKET, COOLER DIAPHRAGM
main88688-35640
8868835650BRACKET, COOLER DIAPHRAGM
main88688-35650
887181A430PIPE, COOLER REFRIGERANT SUCTION, NO.2
main88718-1A430
887182D140PIPE, COOLER REFRIGERANT SUCTION, NO.2
main88718-2D140
887182D150PIPE, COOLER REFRIGERANT SUCTION, NO.2
main88718-2D150
887182J150PIPE, COOLER REFRIGERANT SUCTION, NO.2
main88718-2J150
8871835160PIPE, COOLER REFRIGERANT SUCTION, NO.2
main88718-35160
9009120619
main90091-20619
9017906274
main90179-06274
9017906293
main90179-06293
9165140612
main91651-40612
9165140630
main91651-40630
91651F0616
main91651-F0616
91651F0625
main91651-F0625
9331514010
main93315-14010
32 parts on this diagram · 6 diagrams in section