HEATING & AIR CONDITIONING - HEATER UNIT & BLOWER

1603
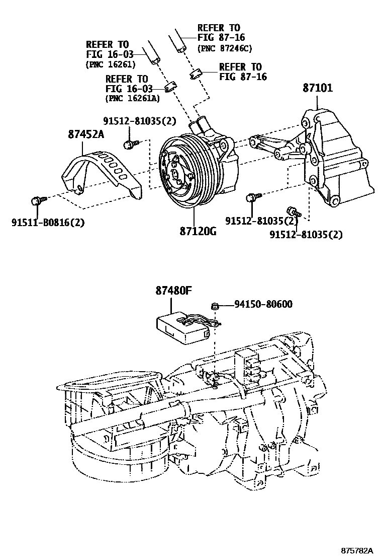
87101BRACKET SUB-ASSY, VISCOUS HEATER NO.1
main87101-35010
87120GHEATER ASSY, VISCOUS W/MAGNET CLUTCH
8716
87452ABRACKET, HEATER, FRONT
87480FAMPLIFIER ASSY, HEATER
91511B0816
main91511-B0816
9151281035
main91512-81035
9415080600
main94150-80600
9 parts on this diagram · 1 diagram in section