NAVIGATION & FRONT MONITOR DISPLAY

8601
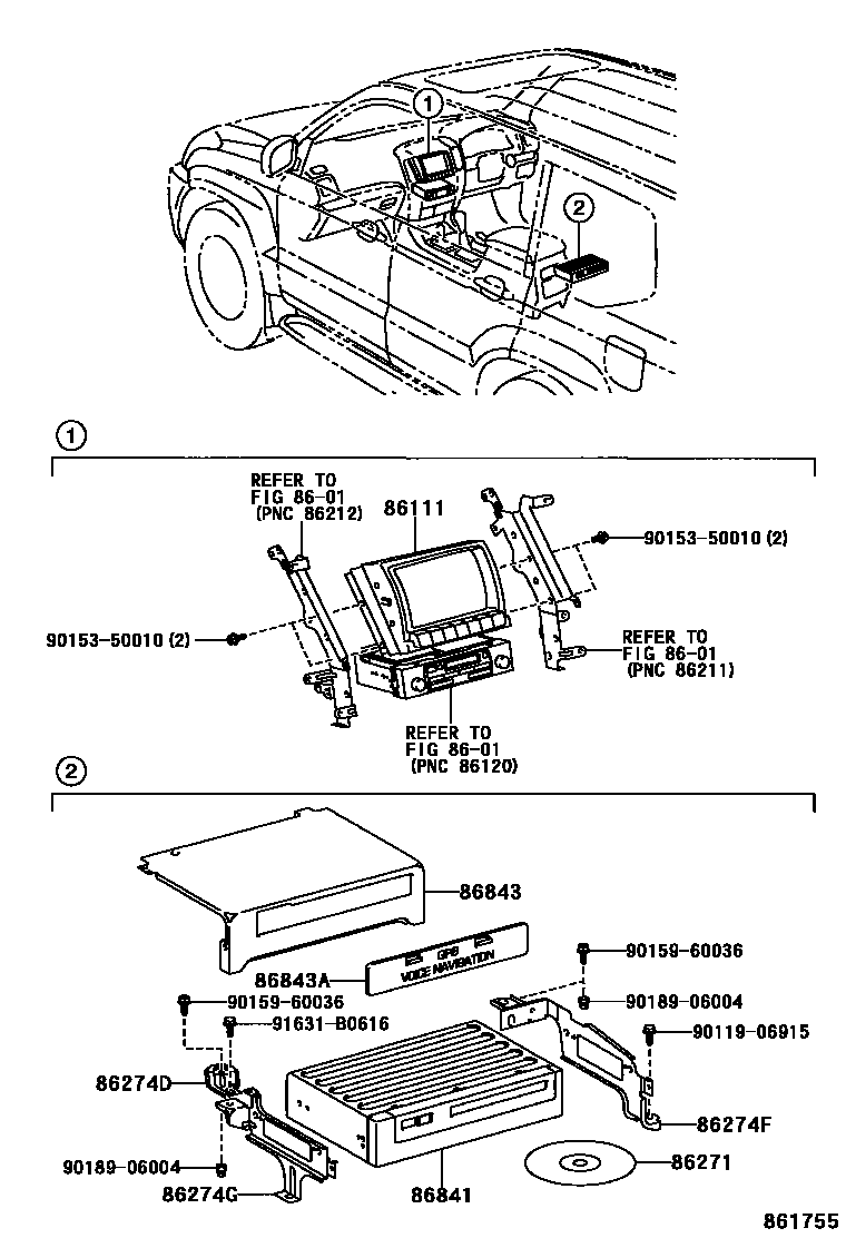
86111MULTI-DISPLAY
main86111-60090
main86111-60091
main86111-60092
main86111-60100
main86111-60101
main86111-60102
86271DISC, DISC PLAYER
main86271-64012
main86271-53030
main86271-53031
main86271-24121
main86271-24122
main86271-24123
86274DBRACKET, DISC PLAYER
86274FBRACKET, DISC PLAYER, NO.2
86274GBRACKET, DISC PLAYER, NO.3
86843ACOVER, NAVIGATION COMPUTER
9011906915
main90119-06915
9015350010
main90153-50010
9015960036
main90159-60036
9018906004
main90189-06004
91631B0616
main91631-B0616
14 parts on this diagram · 1 diagram in section