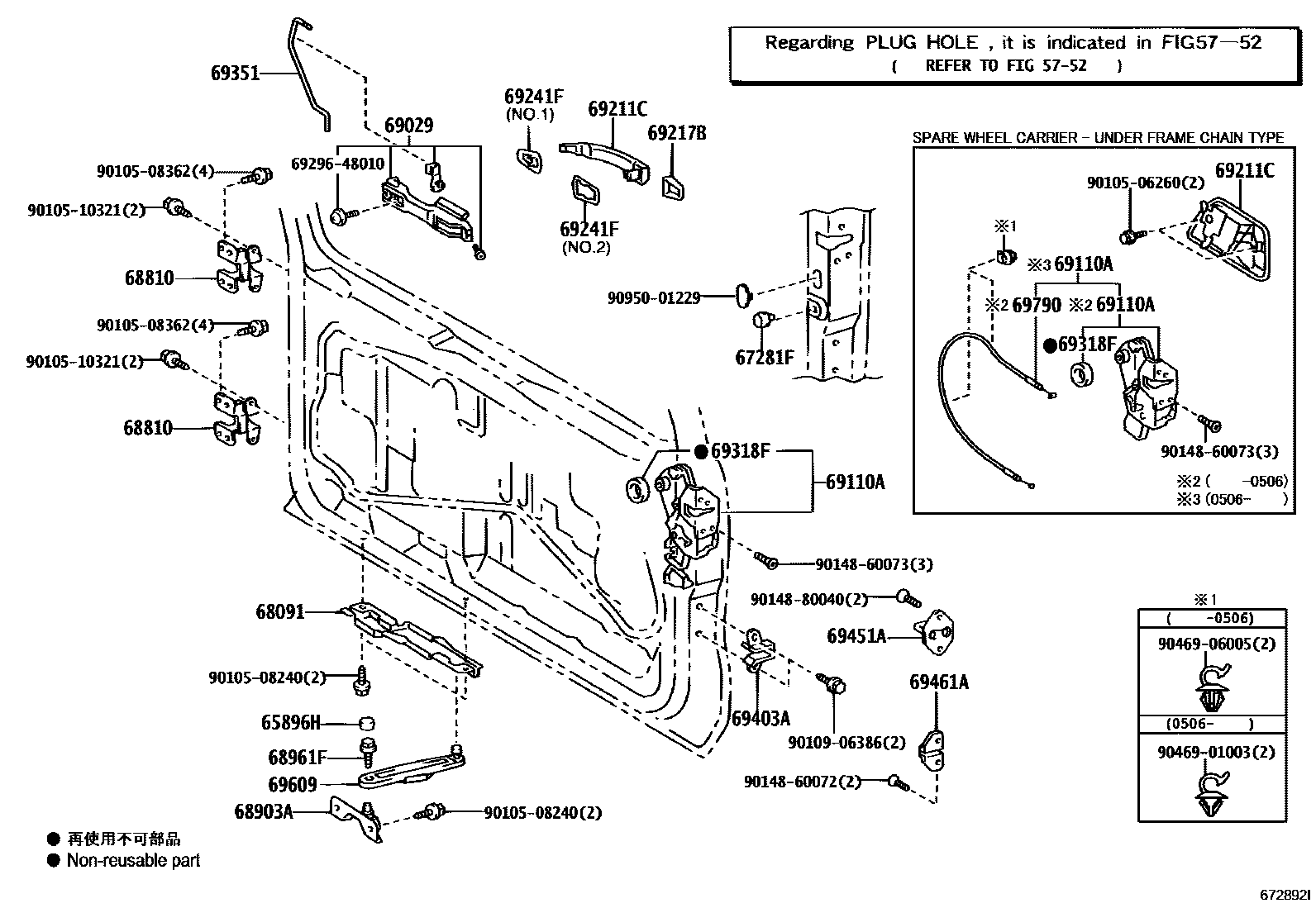
BACK DOOR LOCK & HINGE

5752
65896HCAP, COVER TOP SET BOLT, B
67281FSTOPPER, BACK DOOR, LOWER
68091RAIL SUB-ASSY, BACK DOOR STAY, RH
68810HINGE ASSY, BACK DOOR, UPPER
sub68801-60051
68903ABRACKET SUB-ASSY, BACK DOOR STAY, RH
68961FBOLT, BACK DOOR STAY
69029FRAME SUB-ASSY, BACK DOOR OUTSIDE HANDLE
69211CHANDLE, BACK DOOR OUTSIDE
BLACK,056 ,1D4 ,1E9 ,202 ,3Q8 ,4R4 ,587 ,6Q7 ,8R4 ,8S6
sub69211-28070
BLACK,056 ,1D4 ,1E9 ,202 ,3Q8 ,587 ,6Q7 ,8R4
sub69211-28070
69217BCOVER, BACK DOOR OUTSIDE HANDLE
BLACK,056 ,1D4 ,1E9 ,202 ,3Q8 ,587 ,6Q7 ,8R4
sub69217-60020
BLACK,056 ,1D4 ,1E9 ,202 ,3Q8 ,4R4 ,587 ,6Q7 ,8R4 ,8S6
sub69217-60020
69241FPAD, DOOR OUTSIDE HANDLE
NO.1
NO.2
NO.2
69318FSEAL, DOOR LOCK WIRING HARNESS
69351ROD, BACK DOOR LOCK CONTROL, UPPER
69403ASTOPPER SUB-ASSY, BACK DOOR SIDE FEMALE, RH
69451APLATE, DOOR LOCK STRIKER
69461ASTOPPER, BACK DOOR SIDE MALE
69609LINK SUB-ASSY, BACK DOOR, LOWER
69790CONTROL ASSY, BACK DOOR LOCK
main69790-60100
6929648010SCREW, DOOR INSIDE HANDLE
main69296-48010
9010506260
main90105-06260
9010508240
main90105-08240
9010508362
main90105-08362
9010510321
main90105-10321
9010906386
main90109-06386
9014860072
main90148-60072
9014860073
main90148-60073
9014880040
main90148-80040
9046901003
main90469-01003
9046906005
main90469-06005
9095001229
main90950-01229
31 parts on this diagram · 1 diagram in section