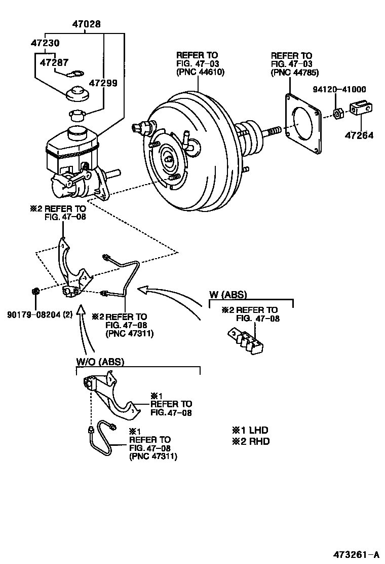
BRAKE MASTER CYLINDER

47028CYLINDER SUB-ASSY, BRAKE MASTER W/PLATE
ABS-W(ABS& VSC & ACTIVE TRACTION CONTROL)
ABS-W(ABS& VSC & ACTIVE TRACTION CONTROL)
ABS-W(ABS& VSC & ACTIVE TRACTION CONTROL)
4703
4708
47230CAP ASSY, BRAKE MASTER CYLINDER RESERVOIR FILLER
ABS-W(ABS& VSC & ACTIVE TRACTION CONTROL)
47264CLEVIS, MASTER CYLINDER PUSH ROD
47287LABEL, BRAKE FLUID INFORMATION
ABS-W(ABS& VSC & ACTIVE TRACTION CONTROL)
47299STRAINER, BRAKE MASTER CYLINDER RESERVOIR
ABS-W(ABS& VSC & ACTIVE TRACTION CONTROL)
9017908204
main90179-08204
9412041000
main94120-41000
9 parts on this diagram · 4 diagrams in section