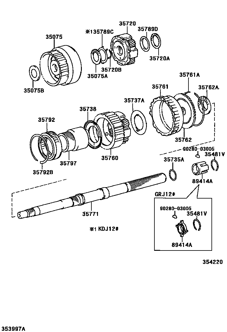
PLANETARY GEAR, REVERSE PISTON & COUNTER GEAR(ATM)

35075GEAR SUB-ASSY, FRONT PLANETARY RING
35075ABEARING, THRUST NEEDLE ROLLER (FOR FRONT PLANETARY RING)
35075BRACE, THRUST BEARING (FOR FRONT PLANETARY RING GEAR FRONT)
35481VRING OR SPACER (FOR ATM SPEEDMETER DRIVE GEAR)
T=1.50,OD=34.8
35720GEAR ASSY, FRONT PLANETARY
35720ABEARING, THRUST NEEDLE ROLLER (FOR FRONT PLANETARY GEAR)
35720BRING, SHAFT SNAP (FOR FRONT PLANETARY GEAR)
35735ARING, PLANETARY OUTPUT SHAFT OIL SEAL
35737AWASHER, PLANETARY CARRIER THRUST, NO.1
35738WASHER, PLANETARY CARRIER THRUST, NO.2
35761GEAR, REAR PLANETARY RING
35761ARING, HOLE SNAP (FOR REAR PLANETARY RING GEAR)
35762FLANGE, REAR PLANETARY RING GEAR
35762ABEARING, THRUST NEEDLE ROLLER (FOR REAR PLANETARY FLANGE)
35789CRACE, THRUST BEARING (FOR FRONT PLANETARY GEAR FRONT)
35789DRACE, THRUST BEARING (FOR FRONT PLANETARY GEAR REAR)
35792CLUTCH, 1 WAY, NO.2
35792BRING, HOLE SNAP (FOR 1 WAY CLUTCH NO.2)
35797RACE, 1 WAY CLUTCH INNER
9028003005
main90280-03005
23 parts on this diagram · 2 diagrams in section