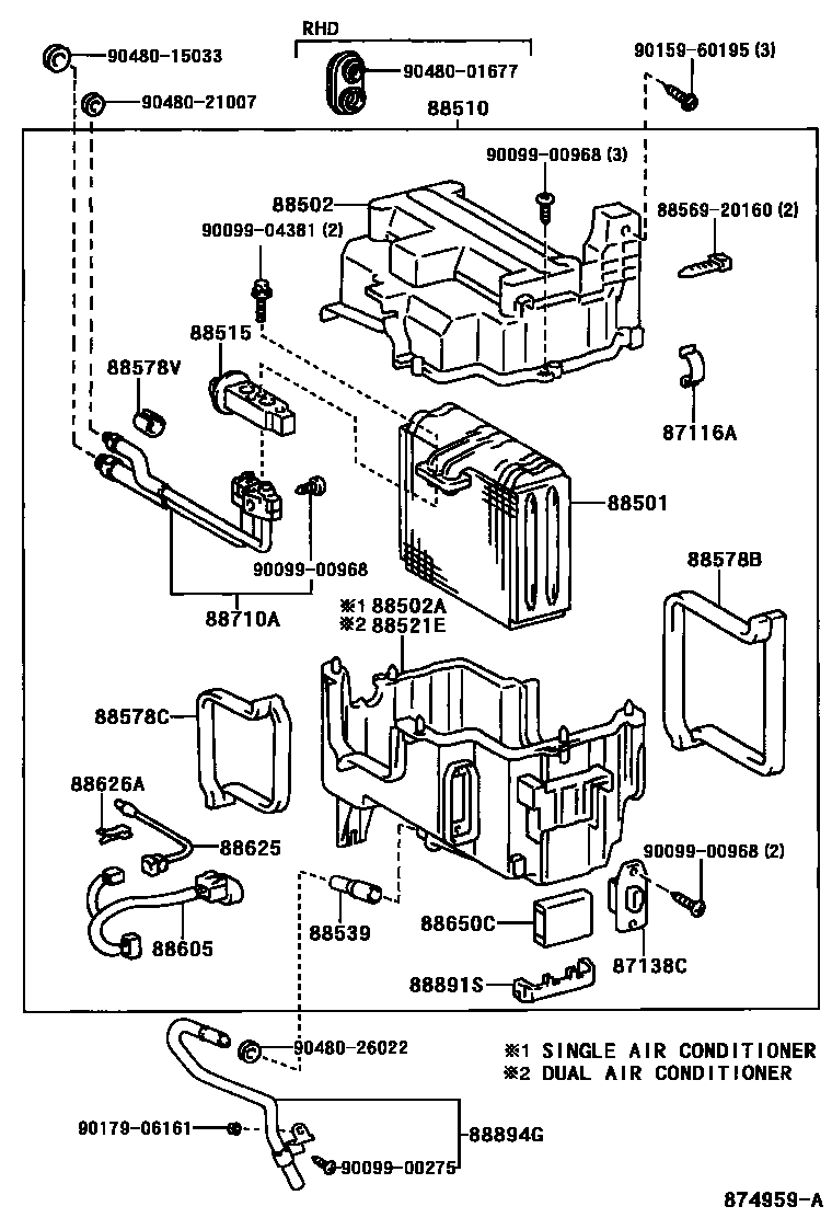
HEATING & AIR CONDITIONING - COOLER UNIT

87116ASPRING, HOLDING (FOR COOLER UNIT CASE)
87138CRESISTOR, BLOWER
88501EVAPORATOR SUB-ASSY, COOLER, NO.1
88510UNIT ASSY, COOLER
MAKER OPTION
MAKER OPTION
MAKER OPTION
DEALER OPTION
MAKER OPTION,SINGLE MANUAL AIR CONDITIONER
MAKER OPTION
DEALER OPTION
DEALER OPTION
MAKER OPTION,SINGLE MANUAL AIR CONDITIONER
MAKER OPTION
50TH ANNIVERSARY & W(SINGLE AUTO AIR CONDITIONER)
sub88510-6A161
MAKER OPTION,DUAL AUTO AIR CONDITIONER
MAKER OPTION,DUAL MANUAL AIR CONDITIONER
MAKER OPTION,DUAL MANUAL AIR CONDITIONER
50TH ANNIVERSARY & W(SINGLE AUTO AIR CONDITIONER)
MAKER OPTION
MAKER OPTION
50TH ANNIVERSARY & W(SINGLE AUTO AIR CONDITIONER)
DEALER OPTION,SINGLE AIR CONDITIONER
DEALER OPTION,SINGLE AIR CONDITIONER
88515VALVE, COOLER EXPANSION
sub88515-22240
88521CASE, COOLER UNIT
NO.1
NO.2
NO.3
88521ECASE SUB-ASSY, COOLING UNIT
88539HOSE, COOLER UNIT DRAIN, NO.1
88578BPACKING, COOLING UNIT, NO.1
88578CPACKING, COOLING UNIT, NO.2
88578VPACKING, COOLING UNIT, NO.3
88605HARNESS SUB-ASSY, COOLER WIRING, NO.1
50TH ANNIVERSARY & W(SINGLE AUTO AIR CONDITIONER)
W(SINGLE AUTOMATIC AIR CONDITIONER)
DUAL MANUAL AIR CONDITIONER
88625THERMISTOR, COOLER, NO.1
88626AHOLDER, THERMISTOR
88650CAMPLIFIER SUB-ASSY, AIRCONDITIONER
DUAL MANUAL AIR CONDITIONER
DUAL MANUAL AIR CONDITIONER
DUAL MANUAL AIR CONDITIONER
88710ATUBE ASSY, AIR CONDITIONER
DEALER OPTION
DEALER OPTION
MAKER OPTION
MAKER OPTION
MAKER OPTION,DUAL MANUAL AIR CONDITIONER
50TH ANNIVERSARY & W(SINGLE AUTO AIR CONDITIONER)
88891SCOVER, COOLER, NO.1
DEALER OPTION
MAKER OPTION
MAKER OPTION,DUAL MANUAL AIR CONDITIONER
88894GCONNECTOR, DRAIN HOSE
8856920160CLAMP (FOR COOLER RELAY)
main88569-20160
9009900275
main90099-00275
9009900968
main90099-00968
9009904381
main90099-04381
9015960195
main90159-60195
9017906161
main90179-06161
9048001677
main90480-01677
9048015033
main90480-15033
9048021007
main90480-21007
9048026022
main90480-26022
30 parts on this diagram · 6 diagrams in section