FUEL TANK & TUBE

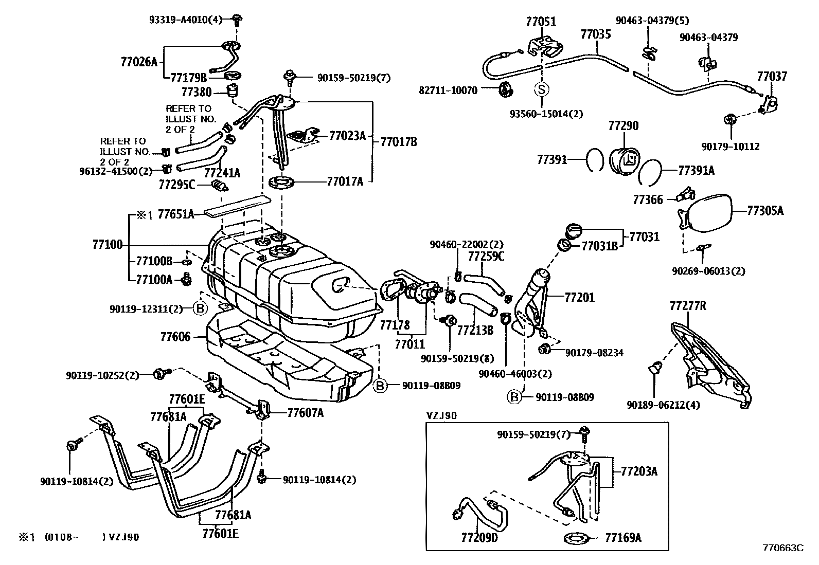
77011PIPE SUB-ASSY, FUEL TANK FILLER, LOWER
77017AGASKET, FUEL TANK VENT
77017BTUBE SUB-ASSY, FUEL TANK VENT
77023AFILTER SUB-ASSY, FUEL SUCTION TUBE(FOR SUB-TANK)
77026ATUBE SUB-ASSY, FUEL EVAPORATION, NO.1
RUSSIA & CIS SPEC
77031CAP ASSY, FUEL TANK
77031BGASKET (FOR FUEL TANK CAP)
77035CABLE SUB-ASSY, FUEL LID LOCK CONTROL
77037LOCK SUB-ASSY, FUEL FILLER OPENING LID
77051LEVER SUB-ASSY, FUEL LID OPEN
77100TANK ASSY, FUEL
77100APLUG(FOR FUEL TANK)
77100BGASKET(FOR FUEL TANK)
77169AGASKET, FUEL SUCTION TUBE SET
77178GASKET, FUEL TANK FILLER PIPE, LOWER
77179BGASKET, FUEL TANK EVAPORATION VENT TUBE
77201PIPE SUB-ASSY, FUEL TANK INLET
77203ATUBE SUB-ASSY, FUEL SUCTION
77209DTUBE SUB-ASSY, FUEL TANK MAIN
77213BHOSE, FUEL TANK TO FILLER PIPE
RUSSIA & CIS SPEC
77241AHOSE, FUEL, NO.1 (FOR MAIN TUBE, NO.1)
L=200(*H,L=190)
77259CHOSE, FUEL
RUSSIA & CIS SPEC
77277RPROTECTOR, FUEL TANK FILLER PIPE
77290SHIELD ASSY, FUEL TANK FILLER PIPE
77295CGROMMET, FUEL TUBE
77305ALID SUB-ASSY, FUEL FILLER OPENING
77366SPRING, FUEL FILLER OPENING LID HINGE
77380VALVE ASSY, FUEL CUT OFF
77391RING, FUEL INLET BOX
77391ARING, FUEL INLET BOX
77601EBAND SUB-ASSY, FUEL TANK
77606PROTECTOR SUB-ASSY, FUEL TANK, NO.1
77607ABUCKLE SUB-ASSY, FUEL TANK BAND
77651ACUSHION, FUEL TANK, NO.1
77681ASEAT, FUEL TANK BAND
8271110070WIRE, FUSE TO FUSE(FOR COMBUSTION HEATER)
9011908B09
9011910252
9011910814
9011912311
9015950219
9017908234
9017910112
9018906212
9026906013
9046022002
9046046003
9046304379
93319A4010
9356015014
9613241500
51 parts on this diagram · 5 diagrams in section