E
EPC Data
Pricing
API Docs
Sign In
Home
›
EU
›
781520
›
HEATING & AIR CONDITIONING - SET
HEATING & AIR CONDITIONING - SET
0001 1
0002 1
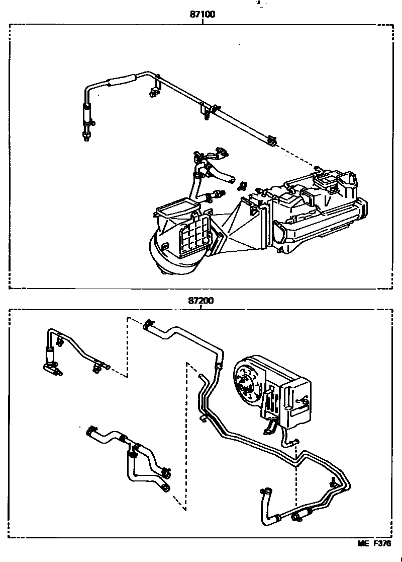
87100
HEATER AND ACCESSORY ASSY
main
87100-90K09
i
BJ73
198411-198510
12V
main
87100-90K10
i
BJ70,73,75..STD
198411-198608
24V
main
87100-90K11
i
LJ70
198411-198510
main
87100-90K12
i
RJ70
198411-198510
main
87100-90K17
i
LJ7#
198510-198608
main
87100-90K18
i
RJ7#
198510-198608
main
87100-90K19
i
BJ73..STD
198510-198608
12V
main
87100-90K20
i
BJ71
198510-198608
main
87100-90K28
i
BJ73..VM
198510-198608
87200
HEATER & ACCESSORY, REAR
main
87200-90K00
i
LJ70
198411-198510
main
87200-90K01
i
RJ70
198411-198510
main
87200-90K02
i
BJ73
198411-198608
12V
main
87200-90K03
i
BJ70,73..STD
198411-198608
24V
main
87200-90K08
i
BJ75..HT
198411-198608
main
87200-90K09
i
LJ7#
198510-198608
main
87200-90K10
i
RJ7#
198510-198608
main
87200-90K12
i
BJ71
198510-198608
2 parts on this diagram · 2 diagrams in section
HEATING & AIR CONDITIONING - SET — Toyota Parts Diagram with OEM Numbers & Prices | EPC Data