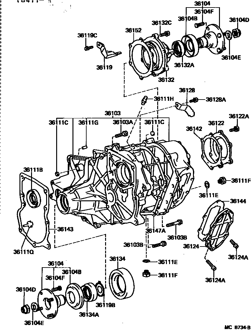
TRANSFER CASE & EXTENSION HOUSING

36103CASE SUB-ASSY, TRANSFER
MECHANICAL TYPE
ELECTRIC TYPE
MECHANICAL TYPE
ELECTRIC TYPE
MECHANICAL TYPE
ELECTRIC TYPE
MECHANICAL TYPE
ELECTRIC TYPE
36103ABOLT (FOR TRANSFER CASE)
*10-1.25PX30-30,*10-1.25PX30-30
*10-1.25PX40-30,*10-1.25PX40-30
36103BBOLT (FOR TRANSFER CASE & ADAPTER SETTING)
*12-1.25PX128-30,*12-1.25PX128-30
*12-1.25PX90-30
*12-.125PX93-30,*12-1.25PX93-30
*10-1.25PX40-30,*10-1.25PX40-30
*12-1.25PX40-30,*12-1.25PX45-30
36104FLANGE, COMPANION (FOR TRANSFER OUTPUT SHAFT)
RR
RR
FR
FR
36104BDEFLECTOR, DUST (FOR TRANSFER OUTPUT SHAFT)
FR
RR
36104DNUT (FOR TRANSFER OUTPUT SHAFT)
36104EWASHER, PLATE (FOR TRANSFER OUTPUT SHAFT)
36104FBOLT (FOR TRANSFER OUTPUT SHAFT COMPANION FLANGE)
36111EGASKET (FOR TRANSFER CASE)
36111FPLUG (FOR TRANSFER CASE)
FILLER PLUG
DRAIN PLUG
36111GPIN, STRAIGHT (FOR TRANSFER CASE)
L=24,0D=10
36111HPLUG, BREATHER (FOR TRANSFER CASE)
36111QPIPE, OIL RECEIVER
36119RECEIVER, TRANSFER OIL, NO.1
sub36119-60011
36119BRECEIVER, TRANSFER OIL, NO.2
36119CBOLT (FOR TRANSFER OIL RECEIVER NO.1)
36122COVER, TRANSFER CASE, NO.2
36122ABOLT (FOR TRANSFER CASE)COVER NO.2
sub91612-B1020
36124COVER, TRANSFER POWER TAKE-OFF
36124ABOLT (FOR TRANSFER POWER TAKE-OFF COVER)
*8-1.25PX30-23.5
*8-1.25PX30-30
36128DEFLECTOR, BREATHER OIL
36128ABOLT (FOR BREATHER OIL DEFLECTOR)
sub91611-B0610
36132RETAINER, OUTPUT SHAFT BEARING, REAR NO.1
36132ASEAL, OIL (FOR OUTPUT SHAFT RETAINER)
36132CBOLT (FOR OUTPUT SHAFT BEARING RETAINER REAR NO.1)
36134RETAINER, OUTPUT SHAFT BEARING, FRONT
36134ASEAL, OIL (FOR OUTPUT SHAFT BEARING FRONT RETAINER)
sub90311-48022
36142GASKET, TRANSFER COVER
36143GASKET, TRANSFER CASE, FRONT
36144GASKET, TRANSFER POWER TAKE-OFF COVER
36147AGASKET, TRANSFER CASE
36152GASKET, OUTPUT SHAFT BEARING RETAINER
34 parts on this diagram · 1 diagram in section