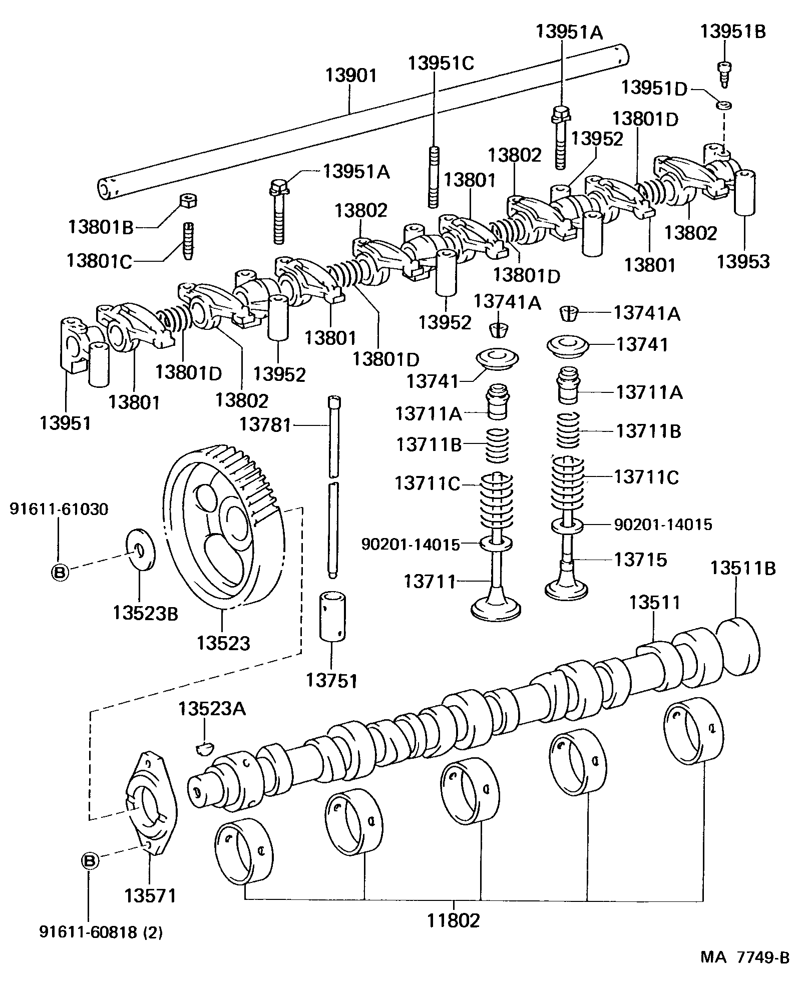
CAMSHAFT & VALVE

11802BEARING SET, CAMSHAFT
STD,STD
STD
STD
STD
U/S 0.125,U/S 0.125
U/S 0.25,U/S 0.25
13511BPLUG, EXPANSION(FOR CAMSHAFT)
OD=56
13523AKEY, WOODRUFF(FOR TIMING GEAR)
13523BWASHER, PLATE(FOR TIMING GEAR)
13711BSPRING, COMPRESSION(FOR INNER)
WD=4.35,CW=6.25
13711CSPRING, COMPRESSION(FOR OUTER)
13741RETAINER, VALVE SPRING
13741ALOCK, VALVE SPRING RETAINER
13781ROD, VALVE PUSH
13951ABOLT(FOR ROCKER SUPPORT SET)
*8-1.25PX53-30
*8-1.25PX63-30
*8-1.25PX55-30
*8-1.25PX55-30
*8-1.25PX65-30
13951CBOLT, STUD(FOR ROCKER SUPPORT)
13951DWASHER, SEAL(FOR HEAD COVER SET)
9020114015
main90201-14015
9161160818
main91611-60818
9161161030
main91611-61030
32 parts on this diagram · 4 diagrams in section