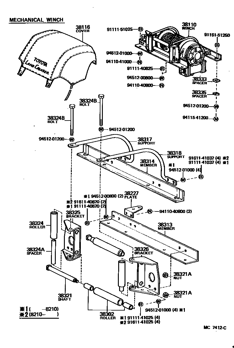
WINCH

38110WINCH ASSY
MECHANICAL
MECHANICAL
ELECTRIC,24V
ELECTRIC,12V
38116COVER, WINCH
ELECTRIC
MECHANICAL
38227PLATE, WINCH CLUTCH LEVER SHIFT LOCK
38302ROLLER SUB-ASSY, WINCH WIRE GUIDE
MECHANICAL
ELECTRIC
38313MEMBER, FRONT BASE
38314MEMBER, REAR BASE
38317SUPPORT, ROLLER BRACKET, NO.1
38318SUPPORT, ROLLER BRACKET, NO.2
38321SHAFT, WINCH ROLLER
38321ANUT, HEXAGON (FOR WINCH ROLLER SHAFT)
38324ROLLER, WINCH WIRE GUIDE, NO.2
MECHANICAL
ELECTRIC
38324ASPACER, WINCH WIRE GUIDE ROLLER
38324BBOLT, HEXAGON (FOR WINCH WIRE GUIDE ROLLER)
38325BRACKET, WINCH ROLLER, NO.1
MECHANICAL
ELECTRIC
38326BRACKET, WINCH ROLLER, NO.2
38333SPACER, MEMBER, NO.1
38335SPACER, MEMBER, NO.2
9111140820
9111140825
9111141025
9111141032
9111151025
9116151250
9161140820
9161141025
9161141032
9411040800
9411041000
9411541200
9451200800
9451201000
9451201200
32 parts on this diagram · 7 diagrams in section