E
EPC Data

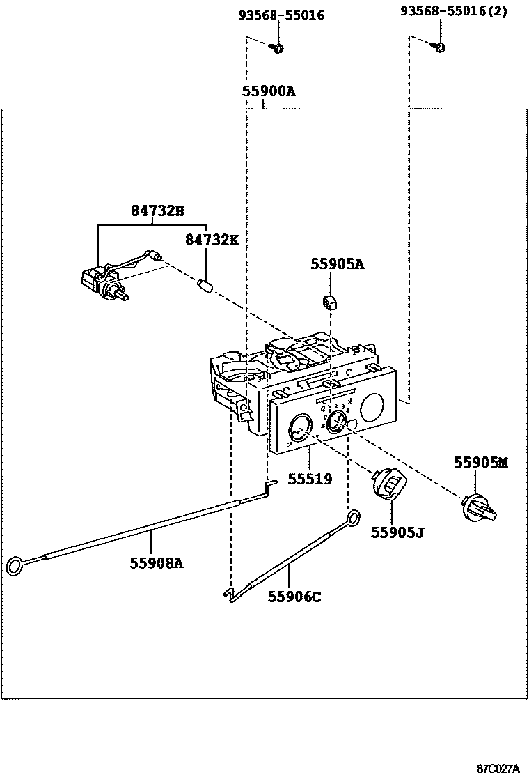
HEATING & AIR CONDITIONING - CONTROL & AIR DUCT

Parts diagram
55519PLATE, HEATER CONTROL NAME
main55519-37210supersedes 55519-37220i201306-201512
main55519-37230supersedes 55519-37220i201107-201605
main55519-37170supersedes 55519-37190i201107-202005
FRONT HEATER-WITH & WITHOUT(WARM UP SWITCH)&AIR CONDITIONER-MANUAL & WITH(POLLEN FILTER)
main55519-37180supersedes 55519-37190i201107-202005
FRONT HEATER-WITH & WITHOUT(WARM UP SWITCH)
55900ACONTROL & ACCESSORY ASSY, HEATER
main55900-37520supersedes 55900-37530i201306-201512
main55900-37540i201107-201605
main55900-37380supersedes 55900-37500i201107-202005
FRONT HEATER-WITH & WITHOUT(WARM UP SWITCH)&AIR CONDITIONER-MANUAL & WITH(POLLEN FILTER)
main55900-37490supersedes 55900-37500i201107-202005
FRONT HEATER-WITH & WITHOUT(WARM UP SWITCH)
main55900-37620supersedes 55900-37530i201911
AIR CONDITIONER-MANUAL & WITH(CLEAN AIR FILTER)
55905AKNOB, HEATER CONTROL
main55925-37010i201107-201512
55905JKNOB SUB-ASSY, CONTROL
main55905-37030×2supersedes 55905-37030i201108-201512
55905MKNOB SUB-ASSY, CONTROL
main55905-37040i201107-201505
55906CCABLE SUB-ASSY, HEATER CONTROL, NO.1
main55906-37100i201107-202005
main55906-37120i201911
55908ACABLE SUB-ASSY, AIR INLET DAMPER CONTROL
main55908-37100i201107-202005
main55908-37120i201107-201505
84732HSWITCH, HEATER BLOWER
main84732-37070i201107-201505
84732KBULB, HEATER BLOWER SWITCH
main90010-11014×2i201107-201505
24V
9356855016

10 parts on this diagram · 13 diagrams in section

HEATING & AIR CONDITIONING - CONTROL & AIR DUCT — Toyota Parts Diagram with OEM Numbers & Prices | EPC Data