HEATING & AIR CONDITIONING - COOLER UNIT

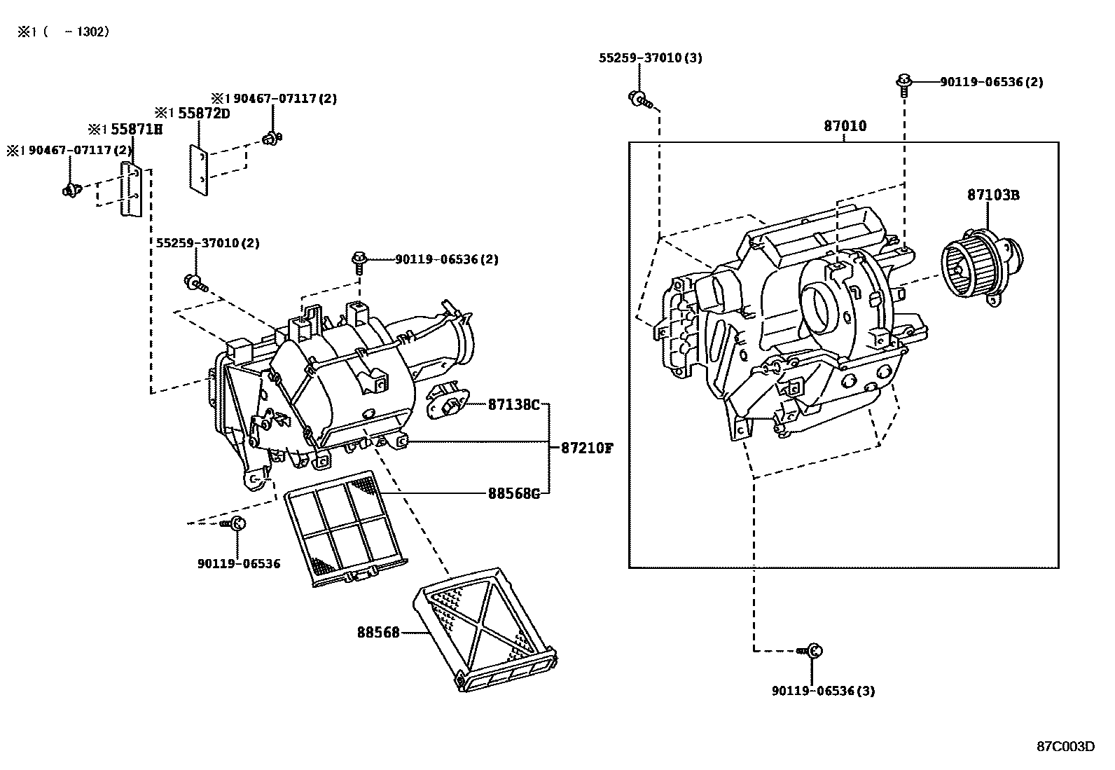
55871HSEAL, AIR DUCT, NO.1
55872DSEAL, AIR DUCT, NO.2
87010UNIT ASSY, AIR CONDITIONER
87103BMOTOR SUB-ASSY, BLOWER W/FAN
87138CRESISTOR, BLOWER
87210FCASE ASSY, AIR DAMPER
88568FILTER, COOLER UNIT COVER
STANDARD
88568GFILTER, AIR
5525937010
main55259-37010
9011906536
main90119-06536
9046707117
main90467-07117
11 parts on this diagram · 8 diagrams in section