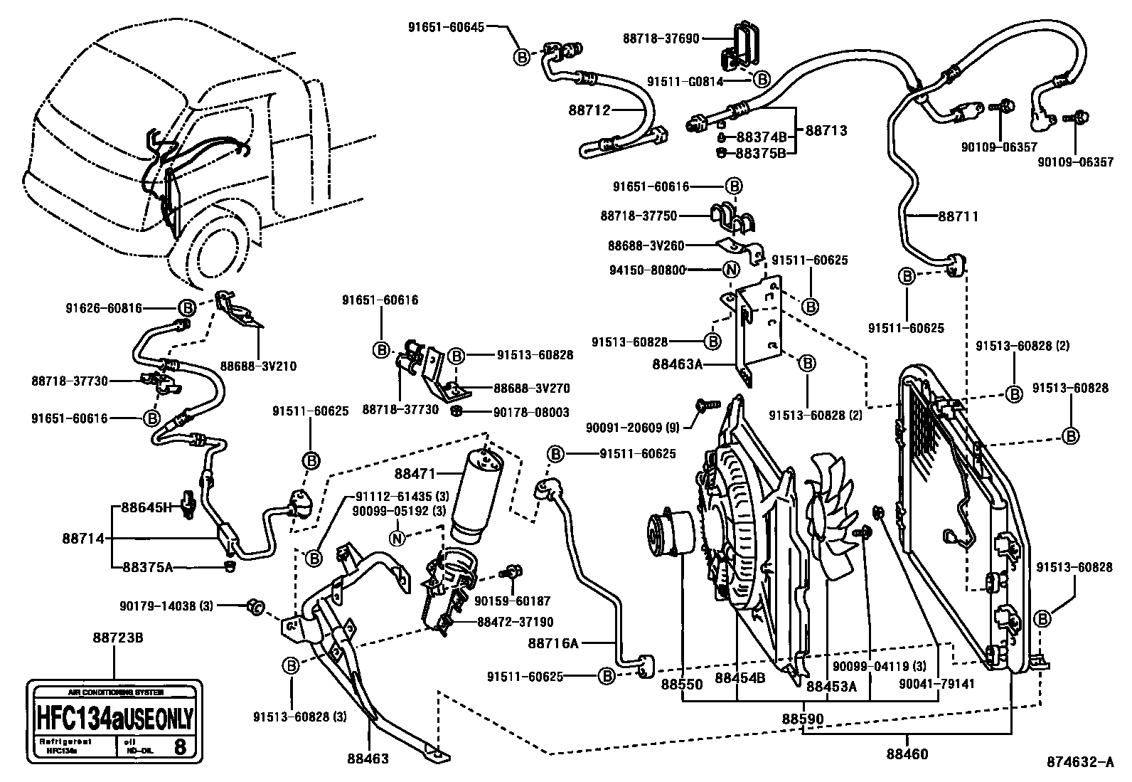
HEATING & AIR CONDITIONING - COOLER PIPING

88374BVALVE, SERVICE, NO.1
88375ACAP, SERVICE VALVE (FOR COOLER PIPE)
88375BCAP, SERVICE VALVE, NO.1
88453AFAN, COOLING
88454BSHROUD, FAN
88463BRACKET, COOLER CONDENSER, NO.1
sub88463-37261
88550MOTOR ASSY, BLOWER (FOR CONDENSER)
88590BLOWER ASSY, W/SHROUD
88645HSWITCH, PRESSURE NO.1
88713HOSE, COOLER REFRIGERANT SUCTION, NO.2
88714HOSE, COOLER REFRIGERANT LIQUID, NO.1
88716APIPE, COOLER REFRIGERANT LIQUID, A
8847237190BRACKET, RECEIVER TANK, NO.1
main88472-37190
886883V210BRACKET, COOLER DIAPHRAGM
main88688-3V210
886883V260BRACKET, COOLER DIAPHRAGM
main88688-3V260
886883V270BRACKET, COOLER DIAPHRAGM
main88688-3V270
8871837690PIPE, COOLER REFRIGERANT SUCTION, NO.2
main88718-37690
8871837730PIPE, COOLER REFRIGERANT SUCTION, NO.2
main88718-37730
8871837750PIPE, COOLER REFRIGERANT SUCTION, NO.2
main88718-37750
9004179141
main90041-79141
9009120609
main90091-20609
9009904119
main90099-04119
9009905192
main90099-05192
9010906357
main90109-06357
9015960187
main90159-60187
9017808003
main90178-08003
9017914038
main90179-14038
9111261435
main91112-61435
9151160625
main91511-60625
91511G0814
main91511-G0814
9151360828
main91513-60828
9162660816
main91626-60816
9165160616
main91651-60616
9165160645
main91651-60645
9415080800
main94150-80800
41 parts on this diagram · 2 diagrams in section