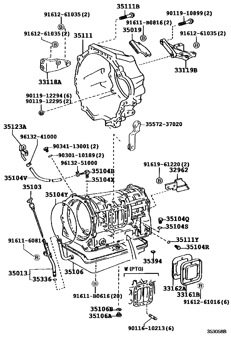
TRANSMISSION CASE & OIL PAN (ATM)

32962INSULATOR, OIL TEMPERATURE SWITCH HEAT
33118APLATE, STIFFENER, RH(ATM)
33119BPLATE, STIFFENER, LH(ATM)
33161BCOVER, TRANSMISSION POWER TAKE-OFF
33162AGASKET, TRANSMISSION POWER TAKE-OFF
35013TUBE SUB-ASSY, TRANSMISSION OIL FILLER
35019COVER SUB-ASSY, TRANSMISSION CASE DUST
35103GAGE SUB-ASSY, TRANSMISSION OIL LEVEL
35104BPLUG, BREATHER, NO.1 (ATM)
35104QPLUG, NO.1 (FOR TRANSAXLE CASE)
35104RPLUG, NO.2 (FOR TRANSAXLE CASE)
35104SRING, O (FOR TRANSAXLE CASE PLUG NO.1)
35104VHOSE (FOR BREATHER PLUG)
35104XRING, O (FOR BREATHER PLUG)
35104YRING, O (FOR AUTOMATIC TRANSMISSION CASE)
35106PAN SUB-ASSY, AUTOMATIC TRANSMISSION OIL
35106APLUG SUB-ASSY, DRAIN (ATM)
35106BGASKET, DRAIN PLUG (ATM)
35111HOUSING, AUTOMATIC TRANSMISSION
35111BBOLT (FOR TRANSMISSION HOUSING & ENGINE SETTING)
*14-1.50PX50-26
35111YRING, O (FOR AUTOMATIC TRANSMISSION CASE)
35123ASKIRT, TRANSMISSION BREATHER
35336RING, O (FOR TRANSMISSION OIL FILLER TUBE)
35394MAGNET, OIL CLEANER (FOR TRANSMISSION)
3557237020LEVER, TRANSMISSION CONTROL SHAFT, RH
main35572-37020
9011610213
main90116-10213
9011910899
main90119-10899
9011912294
main90119-12294
9011912295
main90119-12295
9030110189
main90301-10189
9034113001
main90341-13001
9161160814
main91611-60814
91611B0616
main91611-B0616
91611B0816
main91611-B0816
9161261016
main91612-61016
9161261035
main91612-61035
9161961220
main91619-61220
9613241000
main96132-41000
9613251000
main96132-51000
39 parts on this diagram · 1 diagram in section