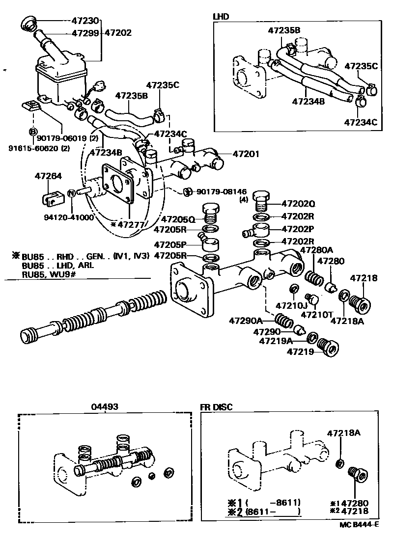
BRAKE MASTER CYLINDER

04493CYLINDER KIT, BRAKE MASTER
FR DISC
47202RESERVOIR SUB-ASSY, BRAKE MASTER CYLINDER
47202PUNION, RESERVOIR(FOR BRAKE MASTER CYLINDER SIDE)
47202QBOLT, RESERVOIR UNION(FOR BRAKE MASTER CYLINDER SIDE)
47202RGASKET, RESERVOIR UNION(FOR BRAKE MASTER CYLINDER SIDE)
47205PUNION, RESERVOIR(FOR BRAKE MASTER CYLINDER REAR SIDE)
47205QBOLT, RSVR UNION, NO.2(FOR BRAKE MASTER CYLINDER RR SIDE)
47205RGASKET, RESERVOIR UNION(FOR BRAKE MASTER CYLINDER REAR SIDE)
47210JGASKET(FOR MASTER CYLINDER)
47210TBOLT(FOR BRAKE MASTER CYLINDER)
47218PLUG, MASTER CYLINDER FLUID OUTLET
FR DISC
47218AGASKET(FOR FLUID OUTLET PLUG)
47219PLUG, MASTER CYLINDER FLUID OUTLET(FOR REAR SIDE)
47219AGASKET(FOR FLUID OUTLET PLUG REAR SIDE)
47230CAP ASSY, BRAKE MASTER CYLINDER RESERVOIR FILLER
47234BTUBE, RESERVOIR, NO.1
47234CCLIP(FOR RESERVOIR TUBE NO.1)
sub96134-51500
47235BTUBE, BRAKE MASTER CYRINDER RESERVOIR, NO.2
47235CCLIP(FOR BRAKE MASTER CYLINDER RESERVOIR TUBE NO.2)
sub96134-51500
47264CLEVIS, MASTER CYLINDER PUSH ROD
47277SPACER, MASTER CYLINDER
47280VALVE ASSY, BRAKE MASTER CYLINDER OUTLET CHECK
47280ASPRING, COMPRESSION
47290VALVE ASSY, MASTER CYLINDER OUTLET(FOR REAR SIDE)
47290ASPRING, COMPRESSION(FOR FLUID OUTLET REAR SIDE)
47299STRAINER, BRAKE MASTER CYLINDER RESERVOIR
9017906019
main90179-06019
9017908146
main90179-08146
9161560620
main91615-60620
9412041000
main94120-41000
31 parts on this diagram · 1 diagram in section