E
EPC Data

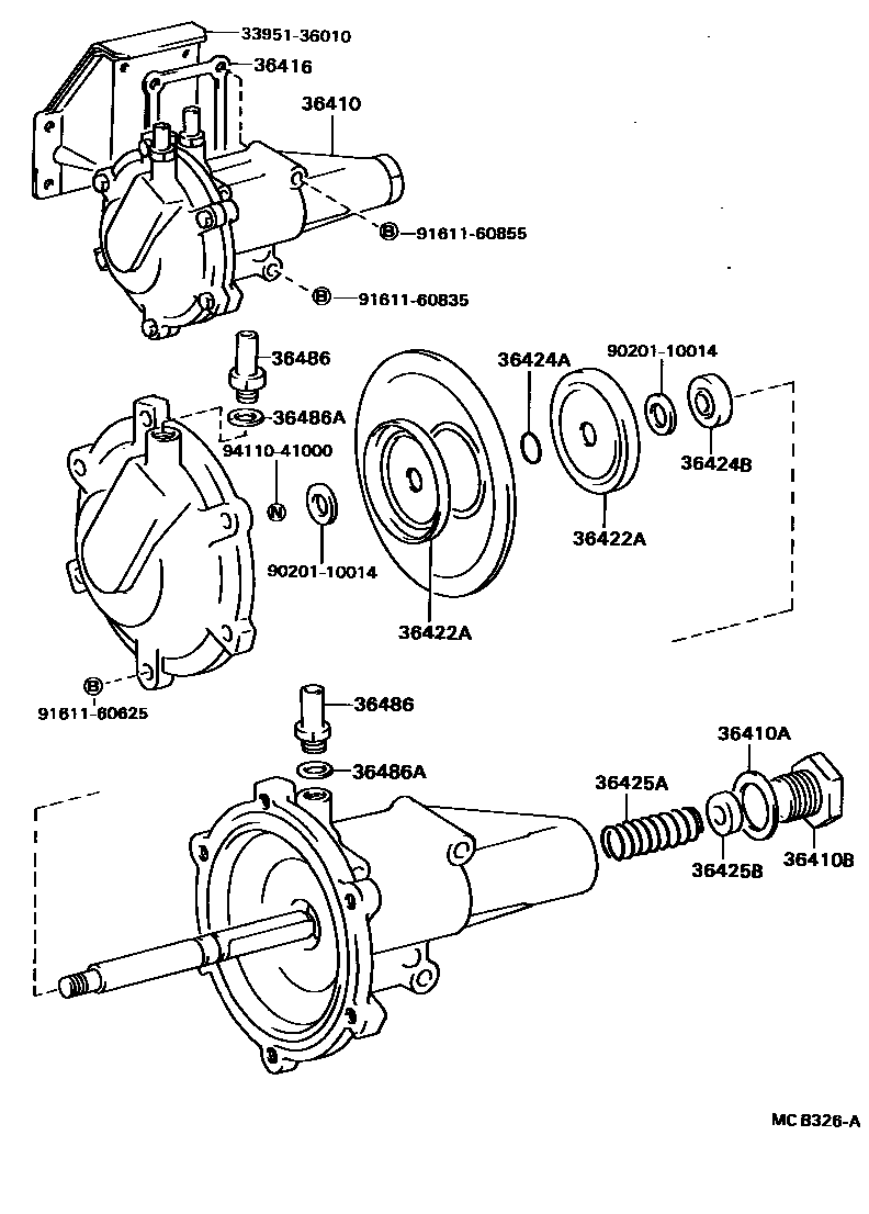
DIAPHRAGM CYLINDER & TRANSFER VACUUM ACTUATOR

Parts diagram
36410CYLINDER ASSY, DIAPHRAGM
main36420-36010i198508-198708
36410AGASKET (FOR DIAPHRAGM CYLINDER)
main90430-24003i198508-198708
36410BPLUG, W/HEAD STRAIGHT SCREW
main90341-24005i198508-198708
36416GASKET, DIAPHRAGM CYLINDER
main36416-36020i198508-198708
36422APLATE, DIAPHRAGM
main36422-36010i198508-198708
36424ARING, O (FOR DIAPHRAGM PUSH ROD)
main96711-24010i198508-198708
36424BSEAL, TYPE T, OIL (FOR DIAPHRAGM PUSH ROD)
main90311-13066i198508-198708
36425ASPRING, COMPRESSION (FOR DIAPHRAGM CYLINDER)
main90501-29010i198508-198708
36425BSPACER (FOR DIAPHRAGM CYLINDER)
main90560-07017i198508-198708
36486TUBE, SUCTION
main36486-60010i198508-198708
36486AGASKET (FOR SUCTION TUBE)
main90430-10022i198508-198708
3395136010BRACKET, DIAPHRAGM CYLINDER
9020110014
9161160625
9161160835
9161160855
9411041000

17 parts on this diagram · 1 diagram in section

DIAPHRAGM CYLINDER & TRANSFER VACUUM ACTUATOR — Toyota Parts Diagram with OEM Numbers & Prices | EPC Data