E
EPC Data

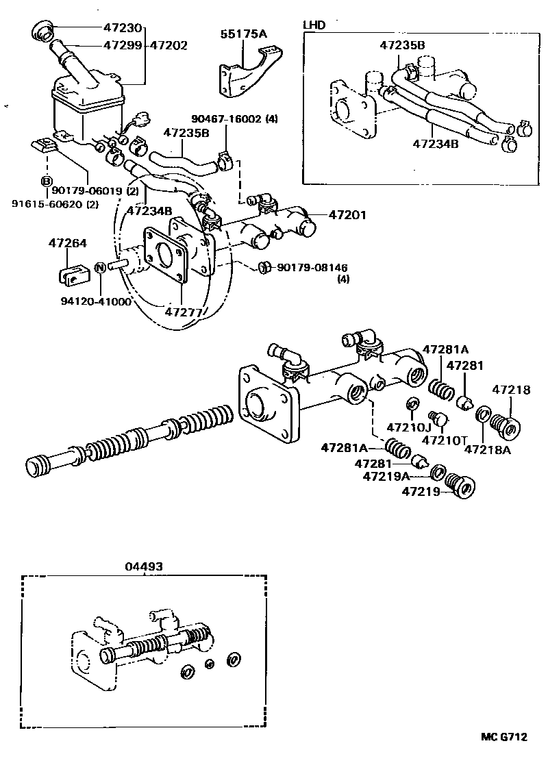
BRAKE MASTER CYLINDER

Parts diagram
04493CYLINDER KIT, BRAKE MASTER
main04493-36070i198808-199505
main04493-36081i198808-199505
W(FR DISC BRAKE RR AUTO ADJUSTER)
main04493-36090i198808-199310
main04493-36141i198808-199505
W(FR DISC BRAKE RR AUTO ADJUSTER)
47201CYLINDER SUB-ASSY, BRAKE MASTER
main47201-36300i198808-199505
main47201-36320i198808-199310
main47201-36350i198808-199505
W(FR DISC BRAKE RR AUTO ADJUSTER)
main47201-36360i198808-199505
W(FR DISC BRAKE RR AUTO ADJUSTER)
47202RESERVOIR SUB-ASSY, BRAKE MASTER CYLINDER
main47220-36040i198808-199505
47210JGASKET(FOR MASTER CYLINDER)
main90430-06104i198808-199505
47210TBOLT(FOR BRAKE MASTER CYLINDER)
main90109-06008i198808-199505
47218PLUG, MASTER CYLINDER FLUID OUTLET
main47218-36030i198808-199505
main47218-36060i198808-199505
W(FR DISC BRAKE RR AUTO ADJUSTER)
47218AGASKET(FOR FLUID OUTLET PLUG)
main90430-11001i198808-199505
47219PLUG, MASTER CYLINDER FLUID OUTLET(FOR REAR SIDE)
main47218-36030i198808-199505
47219AGASKET(FOR FLUID OUTLET PLUG REAR SIDE)
main90430-11001i198808-199505
47230CAP ASSY, BRAKE MASTER CYLINDER RESERVOIR FILLER
main47230-28010i198808-199505
47234BTUBE, RESERVOIR, NO.1
main47234-36110i198808-199505
main47234-36130i198808-198910
main47234-36150i198910-199505
47235BTUBE, BRAKE MASTER CYRINDER RESERVOIR, NO.2
main47235-36110i198808-199505
main47235-36130i198808-198910
main47235-36150i198910-199505
47264CLEVIS, MASTER CYLINDER PUSH ROD
main47264-22010i198808-199505
main47264-22020i198808-199505
47277SPACER, MASTER CYLINDER
main47277-36010i198808-199505
47281VALVE, BRAKE MASTER CYLINDER OUTLET CHECK
main47281-30020i198808-199505
W(FR DISC BRAKE RR AUTO ADJUSTER)
47281ASPRING COMPRESSION(FOR OUTLET CHECK VALVE)
main90501-05012i198808-199505
W(FR DISC BRAKE RR AUTO ADJUSTER)
47299STRAINER, BRAKE MASTER CYLINDER RESERVOIR
main47299-26020i198808-199505
55175ASUPPORT SUB-ASSY, BRAKE MASTER CYLINDER
main55175-95401i198808-199505
main55175-95402i198808-199505
9017906019
9017908146
9046716002
9161560620
9412041000

23 parts on this diagram · 1 diagram in section

BRAKE MASTER CYLINDER — Toyota Parts Diagram with OEM Numbers & Prices | EPC Data