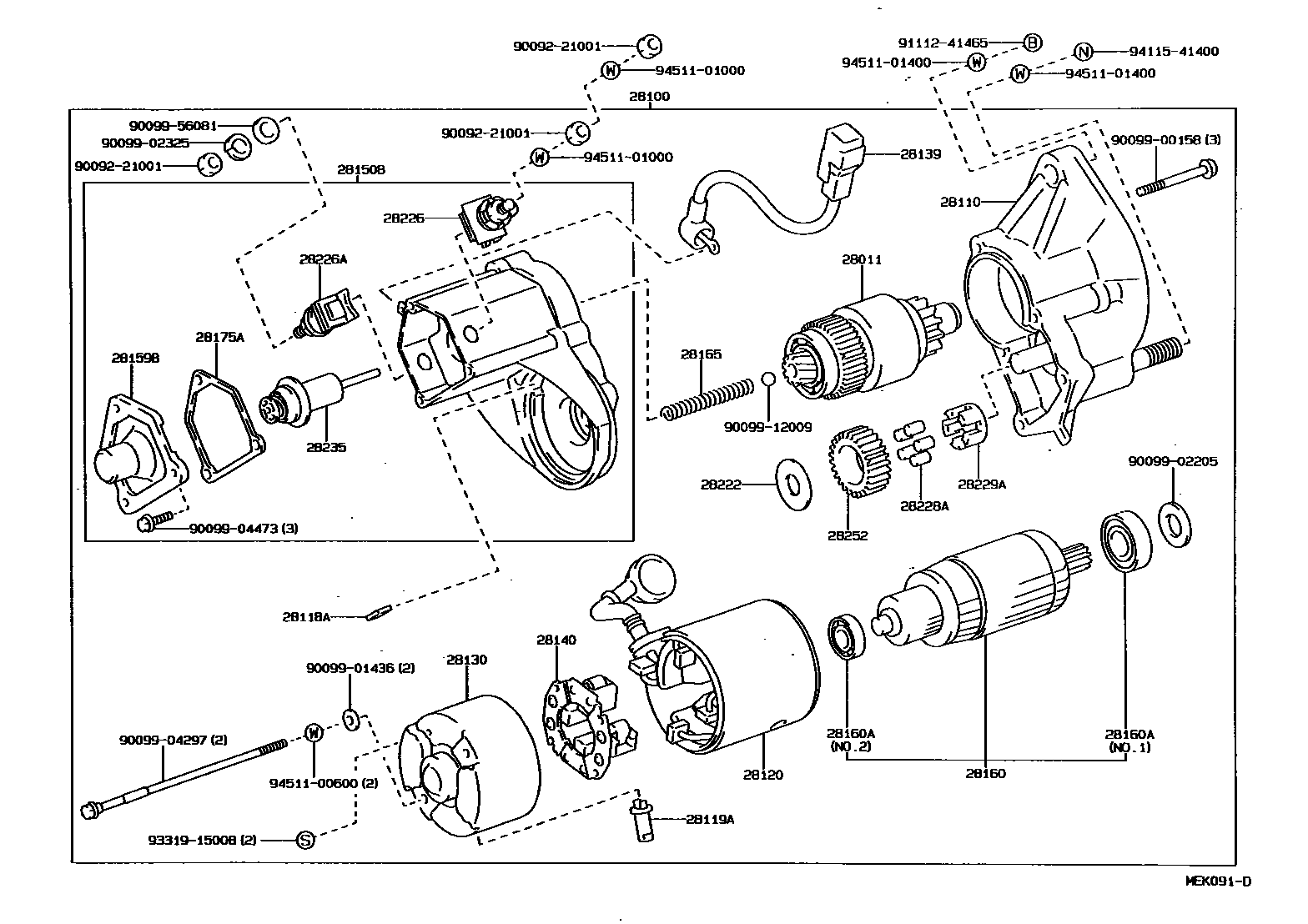
STARTER

28011CLUTCH SUB-ASSY, STARTER
28100STARTER ASSY
12V 2.5KW
12V 2.5KW
28110HOUSING ASSY, STARTER DRIVE
sub28110-56151
28118APLATE(FOR STARTER YOKE)
28119ACOVER, STARTER END FRAME
28120YOKE ASSY, STARTER
28130FRAME ASSY, STARTER COMMUTATOR END
28140HOLDER ASSY, STARTER BRUSH
28159BCOVER, MAGNET SWITCH
28160ABEARING, STARTER ARMATURE
NO.2
NO.1
28165SPRING, STARTER MAGNET SWITCH RETURN
28175AGASKET, MAGNET SWITCH COVER
28222WASHER, STARTER IDLE GEAR CLUTCH
28226ASTARTER KIT, MOTOR TERMINAL
28228AROLLER, STARTER CLUTCH
28229ARETAINER, STARTER IDLE GEAR
28235PLUNGER, MAGNET SWITCH
28252GEAR, STARTER IDLE
9009221001
main90092-21001
9009900158
main90099-00158
9009901436
main90099-01436
9009902205
main90099-02205
9009902325
main90099-02325
9009904297
main90099-04297
9009904473
main90099-04473
9009912009
main90099-12009
9009956081
main90099-56081
9111241465
main91112-41465
9331915008
main93319-15008
9411541400
main94115-41400
9451100600
main94511-00600
9451101000
main94511-01000
9451101400
main94511-01400
37 parts on this diagram · 1 diagram in section