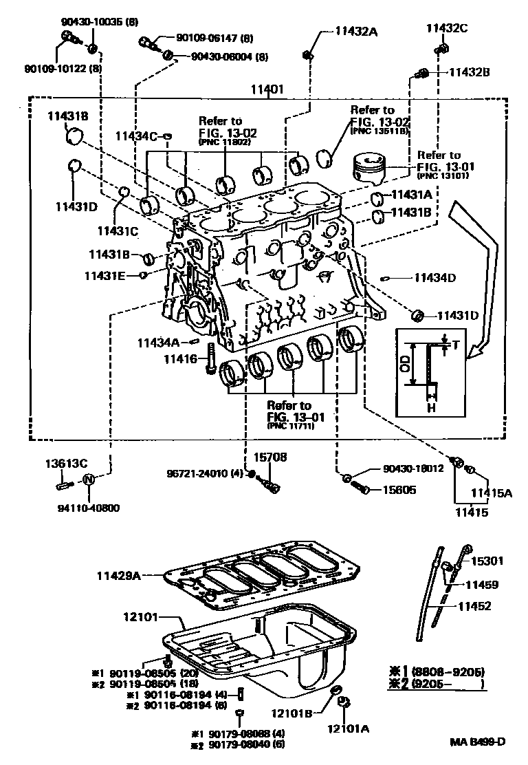
CYLINDER BLOCK

11401BLOCK SUB-ASSY, CYLINDER
sub11401-59417
11415COCK SUB-ASSY, WATER DRAIN(FOR CYLINDER BLOCK)
11415APLUG, WATER DRAIN COCK(FOR CYLINDER BLOCK)
11416BOLT(FOR CRANKSHAFT BEARING CAP SET)
*16-2.0PX93.5-32
*16-2.0PX129.5-32
11431APLUG, TIGHT, NO.1(FOR CYLINDER BLOCK)
11431BPLUG, TIGHT, NO.2(FOR CYLINDER BLOCK)
OD=50,T=1.2,H=9
OD=50,T=1.6,H=12
OD=50,T=1.2,H=12
11431CPLUG, TIGHT, NO.3(FOR CYLINDER BLOCK)
11431DPLUG, TIGHT, NO.4(FOR CYLINDER BLOCK)
11431EPLUG, TIGHT, NO.5(FOR CYLINDER BLOCK)
11432APLUG, W/HEAD TAPER SCREW, NO.1
(9309-)O/CCASE=1,B=3
11432BPLUG, W/HEAD TAPER SCREW, NO.2
11432CPLUG, W/HEAD TAPER SCREW, NO.3
11434APIN, STRAIGHT(FOR TIMING GEAR COVER SET)
L=18,OD=8
11434CPIN, STRAIGHT (FOR CYLINDER HEAD SET)
L=7,OD=14.5
11434DPIN, STRAIGHT(FOR ENGINE REAR OIL SEAL)
L=18,OD=8
11452GUIDE, OIL LEVEL GAGE
11459SUPPORT, OIL LEVEL GAGE GUIDE
12101PAN SUB-ASSY, OIL
sub12101-58102
1301
1302
13613CNOZZLE, OIL
15605VALVE SUB-ASSY, OIL CHECK
9010906147
main90109-06147
9010910122
main90109-10122
9011608194
main90116-08194
9011908505
main90119-08505
9017908040
main90179-08040
9017908088
main90179-08088
9043006004
main90430-06004
9043010035
main90430-10035
9043018012
main90430-18012
9411040800
main94110-40800
9672124010
main96721-24010
38 parts on this diagram · 1 diagram in section