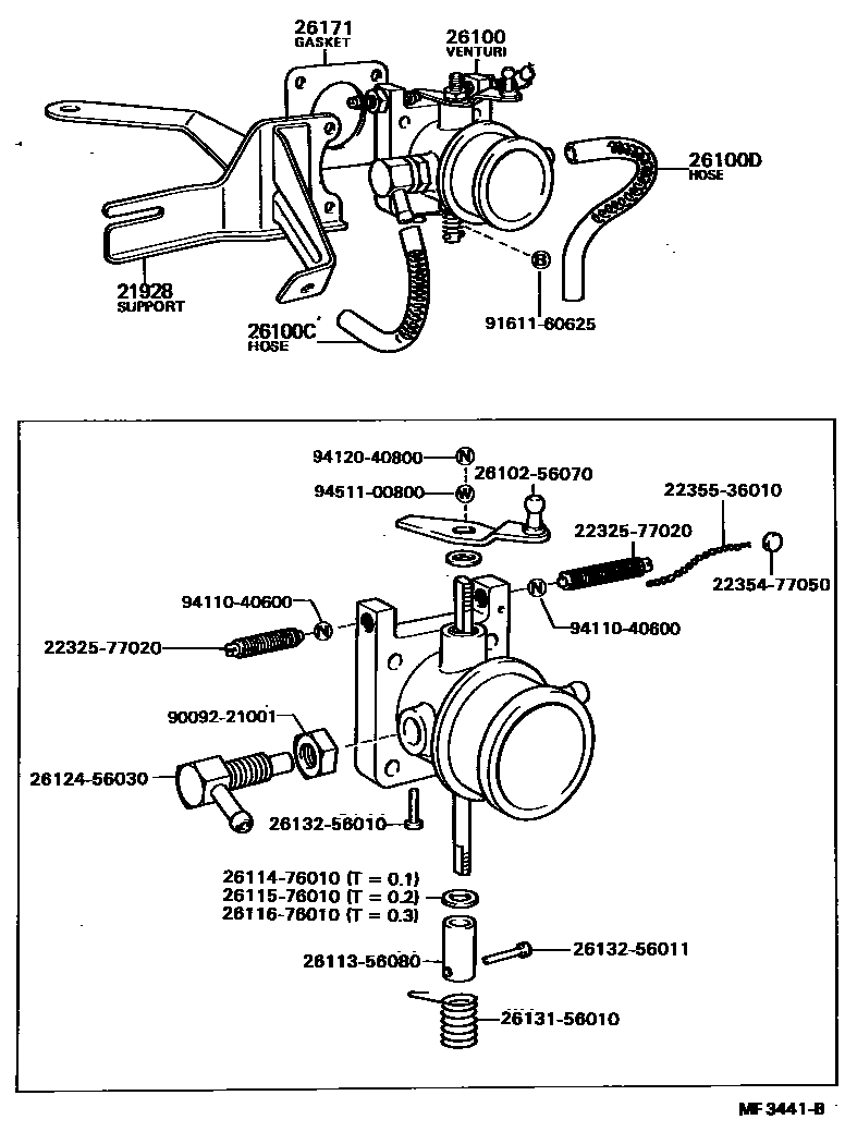
VENTURI

21928SUPPORT, THROTTLE WIRE
26100CHOSE, VACCUM, NO.1(VENTURI TO GOVERNOR)
26100DHOSE, VACCUM, NO.2(VENTURI TO GOVERNOR)
26171GASKET, VENTURI
2232577020SCREW, LEVER
main22325-77020
2235477050SEAL, LEAD
main22354-77050
2235536010WIRE, GOVERNOR HOUSING SEAL
main22355-36010
2610256070LEVER SUB-ASSY, THROTTLE SHAFT ADJUSTING
main26102-56070
2611356080COLLAR, THROTTLE VALVE SHAFT
main26113-56080
2611476010WASHER, THROTTLE VALVE SHAFT ADJUSTING
main26114-76010
2611576010
main26115-76010
2611676010
main26116-76010
2612456030CONNECTOR, VENTURI PIPE
main26124-56030
2613156010SPRING, RETURN
main26131-56010
2613256010PIN
main26132-56010
2613256011PIN
main26132-56011
9009221001
main90092-21001
9161160625
main91611-60625
9411040600
main94110-40600
9412040800
main94120-40800
9451100800
main94511-00800
22 parts on this diagram · 2 diagrams in section