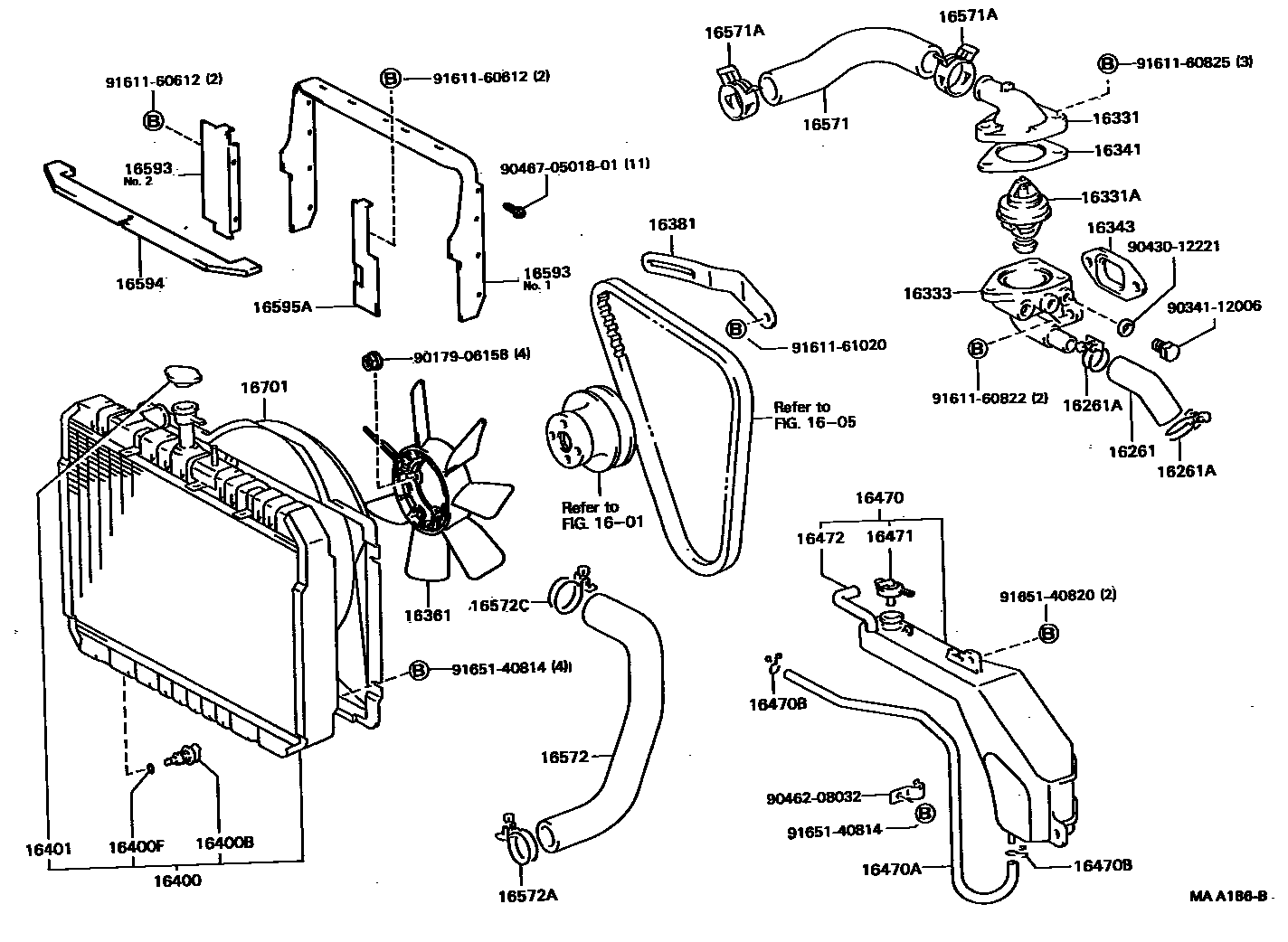
RADIATOR & WATER OUTLET

1601
1605
16261HOSE, WATER BY-PASS
16261ACLAMP OR CLIP, HOSE(FOR WATER BY-PASS HOSE)
16331OUTLET, WATER
16331ATHERMOSTAT
16333HOUSING, WATER OUTLET
16341GASKET, WATER OUTLET
sub16341-56021
16343GASKET, WATER OUTLET HOUSING
sub16343-56022
16361FAN
16381BAR, FAN BELT ADJUSTING
16400BPLUG, RADIATOR DRAIN COCK
16400FPACKING(FOR RADIATOR DRAIN COCK)
16401CAP SUB-ASSY, RADIATOR
sub16401-54750
16470TANK ASSY, RADIATOR RESERVE
16470AHOSE OR PIPE(FOR RADIATOR RESERVE TANK)
L=620
16470BCLAMP OR CLIP(FOR RADIATOR RESERVE TANK HOSE)
16471CAP SUB-ASSY, RESERVE TANK
16472HOSE, BREATHER
16571HOSE, RADIATOR, INLET
16571ACLAMP OR CLIP, HOSE(FOR RADIATOR INLET)
16572HOSE, RADIATOR, OUTLET
16572ACLAMP OR CLIP, HOSE(FOR RADIATOR OUTLET NO.1)
16572CCLAMP OR CLIP, HOSE(FOR RADIATOR OUTLET NO.2)
16593GUIDE, RADIATOR AIR, NO.1
16594GUIDE, RADIATOR AIR, NO.2
16595AGUIDE, RADIATOR AIR, NO.1 LH
sub16595-58040
16701SHROUD SUB-ASSY, FAN
9017906158
main90179-06158
9034112006
main90341-12006
9043012221
main90430-12221
9046208032
main90462-08032
904670501801
main90467-0501801
9161160612
main91611-60612
9161160822
main91611-60822
9161160825
main91611-60825
9161161020
main91611-61020
9165140814
main91651-40814
9165140820
main91651-40820
40 parts on this diagram · 1 diagram in section