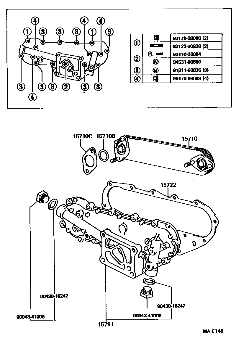
ENGINE OIL COOLER

15710COOLER ASSY, OIL
15710BRING, O(FOR OIL COOLER)
15710CGASKET(FOR OIL COOLER)
sub90923-05018
15722GASKET, OIL COOLER
sub15725-56020
15791CASE, OIL COOLER
9004341006
main90043-41006
9011008004
main90110-08004
9017908088
main90179-08088
9043016242
main90430-16242
9161160835
main91611-60835
9212260828
main92122-60828
9453100800
main94531-00800
12 parts on this diagram · 1 diagram in section