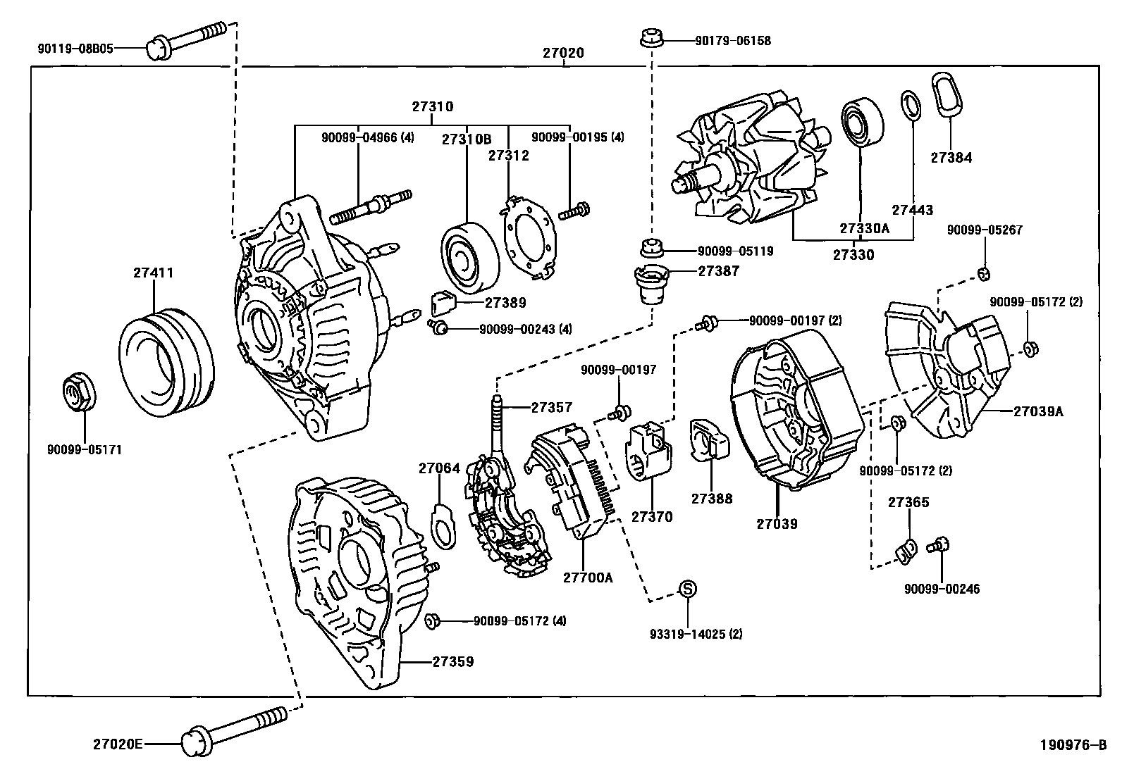
ALTERNATOR

27020ALTERNATOR ASSY
27039ACOVER, ALTERNATOR REAR END, NO.2
27064SEAL, ALTERNATOR PLATE
27310FRAME ASSY, DRIVE END, ALTERNATOR
24V 50A
27310BBEARING(FOR ALTERNATOR DRIVE END FRAME)
24V 50A
27312PLATE, RETAINER
24V 50A
27330ROTOR ASSY, ALTERNATOR
24V 50A
27330ABEARING(FOR ALTERNATOR ROTOR)
24V 50A
27357HOLDER, ALTERNATOR, W/RECTIFIER
27359FRAME, ALTERNATOR RECTIFIER END
27365PLATE, TERMINAL
27370HOLDER ASSY, ALTERNATOR BRUSH
27384WASHER
27387INSULATOR, TERMINAL
27388COVER, ALTERNATOR BRUSH
27389INSULATOR, TERMINAL
27443COVER, ALTERNATOR BEARING
27700AREGULATOR ASSY, GENERATOR
24V 50A
9009900195
main90099-00195
9009900197
main90099-00197
9009900243
main90099-00243
9009900246
main90099-00246
9009904966
main90099-04966
9009905119
main90099-05119
9009905171
main90099-05171
9009905172
main90099-05172
9009905267
main90099-05267
9011908B05
main90119-08B05
9017906158
main90179-06158
9331914025
main93319-14025
33 parts on this diagram · 2 diagrams in section