HEATING & AIR CONDITIONING - CONTROL & AIR DUCT

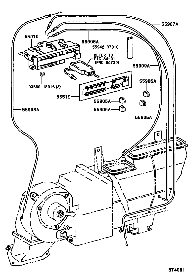
55519PLATE, HEATER CONTROL NAME
W(AIR CONDITIONER (MAKER OPTION))
sub55519-37010
W/O(HEATER)
main55519-37050iBU212..LHD..40T..TD;BU100,101,111,14#,211,221..LHD..(DM1,T3,TW1,TW2)..GEN199505-200212
W/O(HEATER)
main55519-37060iBU212..LHD..40T..TD;BU100,101,111,140,141,211,221..LHD..(DM1,T3,TW1,TW2)199505-200212
W(AIR CONDITIONER (MAKER OPTION))
sub55519-37030
55905AKNOB, HEATER CONTROL
main55905-89115iBU212;BU142,222..20T,25T,40T;BU10#,11#,140,141,211,213,221,223,RZU100,YU210..CBR,DSL,EFI,TDEFI199505
55906ACABLE SUB-ASSY, DEFROSTER DAMPER CONTROL
55907ACABLE SUB-ASSY, WATER VALVE CONTROL
main55907-37020iBU212,222..RHD;BU100,101,110,111,14#,211,221,RZU100,YU210..RHD..(CBR,DSL,EFI)199505-200212
55908ACABLE SUB-ASSY, AIR INLET DAMPER CONTROL
55909ACABLE SUB-ASSY, AIRMIX DAMPER CONTROL
55910CONTROL ASSY, HEATER OR BOOST VENTILATOR
W(BOOSTVENTILATOR)
main55910-37050iBU212..LHD..40T..TD;BU100,101,111,14#,211,221..LHD..(DM1,T3,TW1,TW2)..GEN199505-200212
W(BOOST VENTILATOR)
8401
5594237010GUARD, HEATER CONTROL
main55942-37010
9356015016
main93560-15016
10 parts on this diagram · 4 diagrams in section