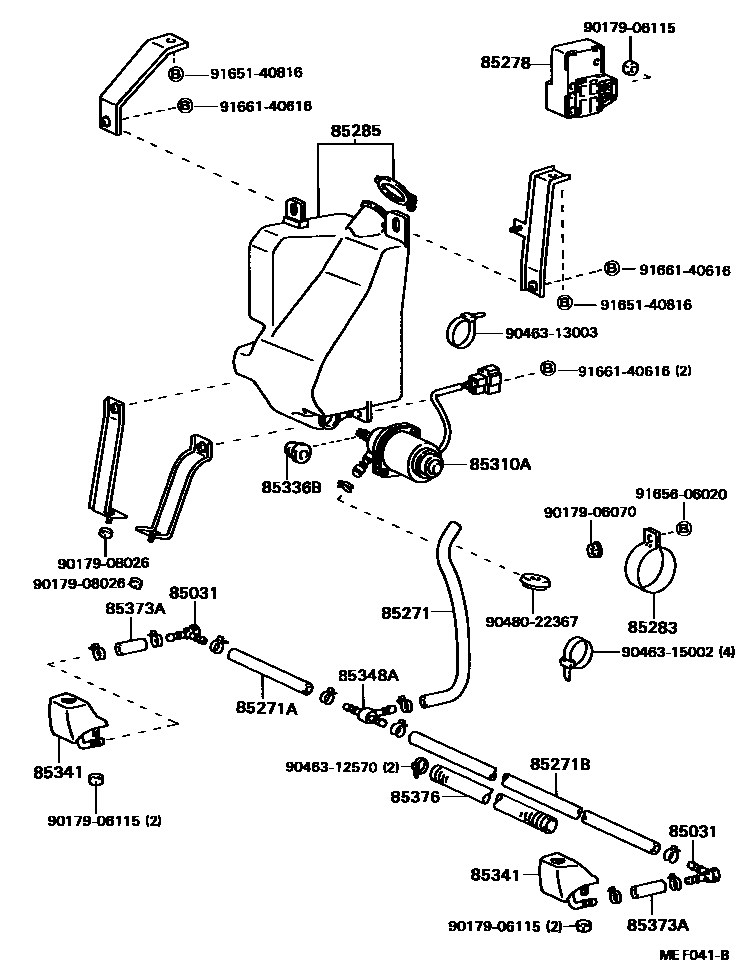
HEADLAMP CLEANER

85031VALVE, HEADLAMP CLEANER WASHER HOSE
85271HOSE, HEADLAMP CLEANER, NO.1
85271AHOSE, HEADLAMP CLEANER, NO.2
85271BHOSE, HEADLAMP CLEANER, NO.3
L=1400
85278RELAY ASSY, HEADLAMP CLEANER CONTROL
85283BRACKET, HEADLAMP CLEANER WASHER
85285JAR, HEADLAMP CLEANER WASHER
85310AMOTOR AND PUMP ASSY, HEADLAMP CLEANER WASHER
85336BPACKING, HEADLAMP CLEANER WASHER
85341NOZZLE, HEADLAMP CLEANER WASHER
sub85381-37010
85348AJOINT, HEADLAMP CLEANER HOSE, NO.1
85373AHOSE, HEADLAMP CLEANER WASHER (FROM JOINT TO NOZZLE)
L=40
85376PROTECTOR, HEADLAMP CLEANER HOSE, NO.1
9017906070
main90179-06070
9017906115
main90179-06115
9017908026
main90179-08026
9046312570
main90463-12570
9046313003
main90463-13003
9046315002
main90463-15002
9048022367
main90480-22367
9165140816
main91651-40816
9165606020
main91656-06020
9166140616
main91661-40616
23 parts on this diagram · 1 diagram in section