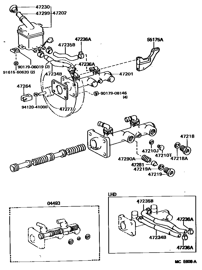
BRAKE MASTER CYLINDER

04493CYLINDER KIT, BRAKE MASTER
47201CYLINDER SUB-ASSY, BRAKE MASTER
47202RESERVOIR SUB-ASSY, BRAKE MASTER CYLINDER
47210JGASKET(FOR MASTER CYLINDER)
47210TBOLT(FOR BRAKE MASTER CYLINDER)
47218PLUG, MASTER CYLINDER FLUID OUTLET
47218AGASKET(FOR FLUID OUTLET PLUG)
47219PLUG, MASTER CYLINDER FLUID OUTLET(FOR REAR SIDE)
47219AGASKET(FOR FLUID OUTLET PLUG REAR SIDE)
47230CAP ASSY, BRAKE MASTER CYLINDER RESERVOIR FILLER
47234BTUBE, RESERVOIR, NO.1
47235BTUBE, BRAKE MASTER CYRINDER RESERVOIR, NO.2
47236ACLIP(FOR RESERVOIR TUBE)
sub96134-51500
47264CLEVIS, MASTER CYLINDER PUSH ROD
47277SPACER, MASTER CYLINDER
47281VALVE, BRAKE MASTER CYLINDER OUTLET CHECK
47290ASPRING, COMPRESSION(FOR FLUID OUTLET REAR SIDE)
47299STRAINER, BRAKE MASTER CYLINDER RESERVOIR
55175ASUPPORT SUB-ASSY, BRAKE MASTER CYLINDER
9017906019
main90179-06019
9017908146
main90179-08146
9161560620
main91615-60620
9412041000
main94120-41000
23 parts on this diagram · 1 diagram in section