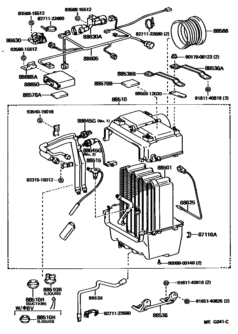
HEATING & AIR CONDITIONING - COOLER UNIT

87116ASPRING, HOLDING (FOR COOLER UNIT CASE)
88501EVAPORATOR SUB-ASSY, COOLER, NO.1
sub88501-95403
88510UNIT ASSY, COOLER
88510RGROMMET (FOR COOLER UNIT)
LIQUID PIPE,W/*BV
LIQUID PIPE,W/HEATER
SUCTION PIPE
SUCTION PIPE
88515VALVE, COOLER EXPANSION
sub88515-16031
88536BRACKET, COOLING UNIT, NO.1
DEALER OPTION
MAKER OPTION
88536ABRACKET, COOLING UNIT, NO.2
88536BBRACKET, COOLING UNIT, NO.3
88566DUCT, COOLER AIR, NO.1
88578APACKING, COOLER STABILIZER AMPLIFIER
88578BPACKING, COOLING UNIT, NO.1
MAKER OPTION
88605HARNESS SUB-ASSY, COOLER WIRING, NO.1
88625THERMISTOR, COOLER, NO.1
sub88625-28150
88630RELAY ASSY, COOLER
88630ARELAY ASSY, COOLER
88645GSWITCH, PRESSURE
NO.2
88650AMPLIFIER ASSY, COOLER STABILIZER
88688ABRACKET, COOLER STABILIZER AMPLIFIER
8271122690WIRE, FUSE TO FUSE(FOR COMBUSTION HEATER)
main82711-22690
8856912030CLAMP (FOR COOLER RELAY)
main88569-12030
9009900148
main90099-00148
9017908123
main90179-08123
9161140816
main91611-40816
9165140825
main91651-40825
9331515012
main93315-15012
9354015016
main93540-15016
9356615512
main93566-15512
28 parts on this diagram · 1 diagram in section